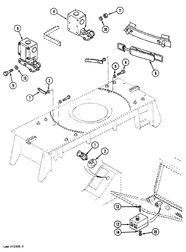
Запчасти Case 688B (30) - UPPERSTRUCTURE SWING LIMITER (05) - UPPERSTRUCTURE CHASSIS

Схема запчастей Case 688B - (30) - UPPERSTRUCTURE SWING LIMITER (05) - UPPERSTRUCTURE CHASSIS
13
11
10
15
4
6
3
8
10
7
1
12
9
2
5
14
8
FIT
1:1
100%

Артикул

Название

Примечание

Количество

1

J1541675

SWITCH

1шт.

2

G1251551

ADHESIVE

1шт.

3

T6427827

DOWEL

8шт.

4

43128

BOLT,M8 x 1.25 x 30mm, Cl 8.8

8шт.

5

V3528794

WASHER

8шт.

6

D3836909

ASSEMBLY

2шт.

7

V2626734

CAM

2шт.

8

L441196

IGNITION SWITCH

2шт.

9

338413

BOLT,Hex, M6 x 60mm, Cl 8.8

2шт.

10

B3528799

WASHER

4шт.

11

F234513

SAFETY NUT

M6

2шт.

12

U1340711

CASE

1шт.

13

U32540

SCREW,Flat Csk Hd, M5 x 25

1шт.

14

P34605

WASHER

2шт.

15

V834574

SAFETY NUT

M5

1шт.

Выбрано товаров: 15