Запчасти Case 1085B (6-052) - TRANSMISSION, HOUSING, COVERS, AND MOUNTING COMPONENTS (06) - POWER TRAIN

Схема запчастей Case 1085B - (6-052) - TRANSMISSION, HOUSING, COVERS, AND MOUNTING COMPONENTS (06) - POWER TRAIN
FIT
1:1
100%

Артикул

Название

Примечание

Количество

S614965

TRANSMISSION

ASSEMBLY - complete, used on 1085B, 1086B, includes parts listed on Fig. 6-044 through 6-056, Includes: Ref. 1 - 36, Serial Range: -JAK0031901

1шт.

S614965

TRANSMISSION

ASSEMBLY - complete, used on 1085B, 1086B, includes parts listed on Fig. 6-044 through 6-056, Includes: Ref. 1 - 36, Serial Range: -JAK0032301

1шт.

S619326

TRANSMISSION

ASSEMBLY - complete, used on 1085B, 1086B, includes parts listed on Fig. 6-044 through 6-056, Includes: Ref. 1 - 36, Start Serial: JAK0031901

1шт.

S619326

TRANSMISSION

ASSEMBLY - complete, used on 1085B, 1086B, includes parts listed on Fig. 6-044 through 6-056, Includes: Ref. 1 - 36, Start Serial: JAK0032301

1шт.

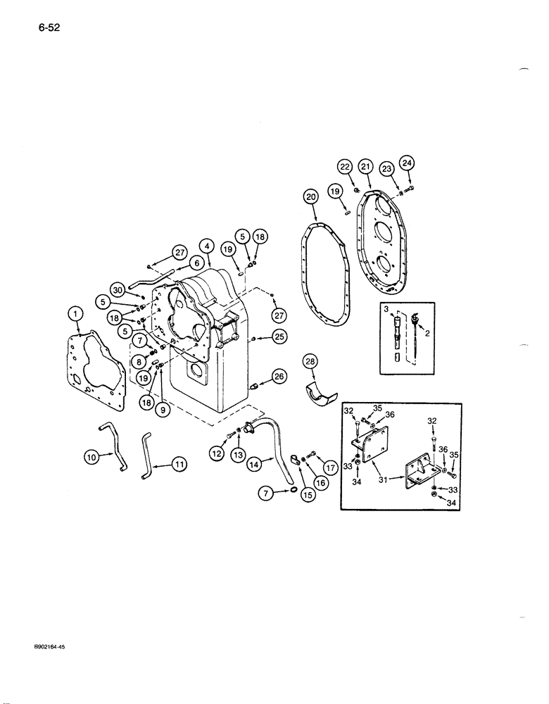
1

D87221

GASKET

- transmission front cover

1шт.

2

E114324

DIPSTICK

- transmission oil level

1шт.

3

E114323

TUBE

- dipstick

1шт.

4

S239578

CASE ASSY.

HOUSING ASSEMBLY - transmission, Includes: Ref. 5 - 17

1шт.

5

A55734

SLEEVE

- tube

4шт.

6

N7146

TUBE,12.81" L

- housing

1шт.

7

A27342

O-RING,1.109" ID x 1.387" OD x 0.139"

- plug and tube

2шт.

8

E114322

PLUG

- pressure, third speed

1шт.

9

D87207

SLEEVE

- tube

1шт.

10

E114321

TUBE

- third speed

1шт.

11

E114320

TUBE

- clutch lubrication

1шт.

12

413-510

BOLT,Hex, 5/16" - 18 x 5/8", Gr 5

- hex, 5/16 NC x 5/8 inch

2шт.

13

492-11031

LOCK WASHER,5/16"

WASHER, LOCK, 5/16"

2шт.

14

E114319

HYD TUBE,1.125" DIA. x 2" L

TUBE - suction

1шт.

15

A55741

CLAMP,1", 1/2" Bolt

- suction tube

1шт.

16

192-222

WASHER - lock, 7/16 inch

1шт.

17

413-712

BOLT,Hex, 7/16" - 14 x 3/4", Gr 5

- hex, 7/16 NC x 3/4 inch

1шт.

18

L33542

O-RING,0.139" Thk x 0.796" ID, -211, Cl 7, 75 Duro

- sleeve

4шт.

19

A17924

PIN

- dowel, housing

3шт.

20

E114316

GASKET

- rear cover

1шт.

21

D87246

COVER ASSY

COVER ASSEMBLY - rear, transmission, Includes: Ref. 22

1шт.

22

221-849

PLUG,Hex Soc, 1/8"-27

- hex socket, 1/8 inch PT

1шт.

23

192-22

LOCK WASHER,7/16"

WASHER, LOCK, 7/16"

20шт.

24

113-311

BOLT,Hex, 7/16" - 14 x 1-1/2", Gr 5

20шт.

25

221-843

PLUG,Hex Soc, 3/8"-18

- hex socket, 3/8 inch PT

20шт.

26

221-659

DRAIN PLUG,Hex Soc, 3/4" NPT

PLUG - hex socket, 3/4 inch PT, magnetic, drain

1шт.

27

S117872

PLUG

- special, housing

2шт.

28

E114318

BAFFLE

- transmission oil

1шт.

30

E114251

O-RING

- clutch pressure tube

1шт.

31

S238523

BRACKET

- transmission mounting

2шт.

32

113-705

BOLT,Hex, 3/4" - 10 x 2-1/2", Gr 5

- hex, 3/4 NC x 2-1/2 inch

4шт.

33

S94643

WASHER,19.43mm ID x 38.1mm OD x 6.35mm Thk

- hardened

4шт.

34

131-450

NUT,3/4"-10

NUT - hex, self-locking, 3/4 inch NC

4шт.

35

113-709

BOLT,Hex, 3/4" - 10 x 1-1/2", Gr 5

8шт.

36

S84752

WASHER

- flat, 3/4 inch, hardened

8шт.

Выбрано товаров: 39