Запчасти Case 1085B (8-022) - SWIVEL TO MAIN VALVE CIRCUIT, UNITS WITH MALE TUBE PORTS ON HYDRAULIC SWIVEL (08) - HYDRAULICS

Схема запчастей Case 1085B - (8-022) - SWIVEL TO MAIN VALVE CIRCUIT, UNITS WITH MALE TUBE PORTS ON HYDRAULIC SWIVEL (08) - HYDRAULICS
FIT
1:1
100%

Артикул

Название

Примечание

Количество

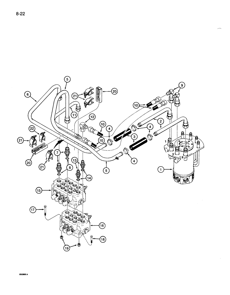
1

REF

INSTRUCTION

SWIVEL ASSEMBLY - hydraulic, 8 port, see Fig. 8-090 and 8-091A for correct swivel

1шт.

2

S231759

TUBE,1.5" OD x 17.53, 4.88" L

- at port 1 and 8 of swivel

2шт.

3

REF

INSTRUCTION

HOSE - swivel to valve, 8 inch (203 mm) long, cut to length from S118515 bulk hose, see below

2шт.

4

S85429

CLAMP

- hose, if smaller OD Gates hose is supplied, use 214-372 clamp

4шт.

5

S517030

TUBE ASSY.,1.5" OD

TUBE - port 8 of swivel to control valve

1шт.

6

S516626

TUBE ASSY.,1.5" OD

TUBE - port 1 of swivel to control valve

1шт.

7

218-5039

HYD CONNECTOR,1-5/8" - 12 Male JIC x 1-5/16" - 12 Male ORB

ADAPTER - straight, 1-5/8-12 flare x 1-5/16-12 inch O-ring, Includes: Ref. 8

2шт.

8

237-6016

O-RING,0.116" Thk x 1.171" ID, -916, Cl 6, 90 Duro

- 1-11/64 ID x 7/64 inch

1шт.

9

S207143

TUBE,1.25" OD x 4.45" L

- at port 2 and 3 of swivel

2шт.

10

S8628

HOSE

- 36 inch (914 mm) long, port 2 and 3 of swivel to control valve

2шт.

11

S242340

TUBE ASSY.,1.25" OD

TUBE - port 3 of swivel to control valve

1шт.

12

218-5234

ELBOW,90 Degree, 1 5/16"-12, 37 Degree x 1 5/16"-12, 37 Degree Fem Sw

- 90 degree, 1-5/16-12 inch flare x swivel flare

1шт.

13

218-5069

HYD CONNECTOR,1-5/16" - 12 Male JIC x 1-5/16" - 12 Male ORB

Adapter - straight, 1-5/16-12 inch flare x O-ring boss, Incl. Ref. 14

2шт.

14

237-6016

O-RING,0.116" Thk x 1.171" ID, -916, Cl 6, 90 Duro

- 1-11/64 ID x 7/64 inch

1шт.

15

REF

INSTRUCTION

VALVE ASSEMBLY - control, 4 spool, see Figures 8-70 and 8-72 for correct valve

1шт.

16

REF

INSTRUCTION

VALVE ASSEMBLY - control, 3 spool, see Figures 8-66 and 8-68 for correct valve

1шт.

17

413-868

BOLT,Hex, 1/2" - 13 x 4-1/4", Gr 5

- hex, 1/2 NC x 4-1/4 inch

4шт.

18

413-844

BOLT,Hex, 1/2" - 13 x 2-3/4", Gr 5

- hex, 1/2 NC x 2-3/4 inch

2шт.

19

131-70

NUT,1/2"-13, GB

NUT - light hex, self-locking, 1/2 inch NC

6шт.

20

S98267

BRACKET

CHANNEL - clamp mounting, 6 inch long

2шт.

21

S98324

CLAMP

- tube, 1-1/2 inch OD

4шт.

22

S93266

CLAMP

- tube, 1-1/4 inch OD

1шт.

S118515

HOSE,1.50" ID x 60.00", SAE 100R1 Type A

- Hydraulic, Bulk roll 1.50" ID x 60.00", SAE 100R1 Type A

1шт.

Выбрано товаров: 23