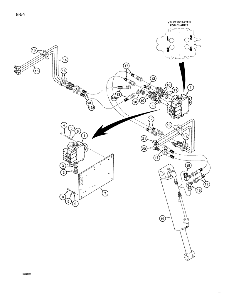
Запчасти Case 1085B (8-054) - REAR OUTRIGGER HYDRAULIC CIRCUIT, STANDARD FOR 1085B ONLY (08) - HYDRAULICS

Схема запчастей Case 1085B - (8-054) - REAR OUTRIGGER HYDRAULIC CIRCUIT, STANDARD FOR 1085B ONLY (08) - HYDRAULICS
FIT
1:1
100%

Артикул

Название

Примечание

Количество

1

S514898

VALVE

ASSEMBLY - outrigger control, two spool, parts list Fig. 8-074

1шт.

2

218-5214

PLUG,Hex Soc, 1 5/16"-12 ORB

control valve, lower port, Incl. Ref 3 Hex Soc, 1 5/16"-12 ORB

1шт.

3

237-6016

O-RING,0.116" Thk x 1.171" ID, -916, Cl 6, 90 Duro

- 1-11/64 ID x 7/64 inch

1шт.

4

413-856

BOLT,Hex, 1/2" - 13 x 3-1/2", Gr 5

- hex, 1/2 NC x 3-1/2 inch

3шт.

5

80679

LOCK WASHER,1/20.507 CST ZND

WASHER, LOCK, 1/2"

7шт.

6

495-11053

WASHER,1/2", SAE

(17/32" x 1-1/16" x 5/64") 1/2", SAE

3шт.

7

S514535

PLATE

- mounting, outrigger control valve

1шт.

8

413-820

BOLT,Hex, 1/2" - 13 x 1-1/4", Gr 5

- hex, 1/2 NC x 1-1/4 inch

4шт.

9

195-530

WASHER,7/16"

- flat, 1/2 x 1-1/8 x 6/64 inch

4шт.

10

218-5077

HYD CONNECTOR,1-1/16" - 12 Male JIC x 1-5/16" - 12 Male ORB

ADAPTER - straight, 1-1/16-12 flare x 1-5/16-12 inch O-ring, at control valve, Incl. Ref. 11

4шт.

11

237-6016

O-RING,0.116" Thk x 1.171" ID, -916, Cl 6, 90 Duro

- 1-11/64 ID x 7/64 inch

1шт.

12

218-5175

ELBOW,45 Degree Elbow, 1-1/16" - 12 Male JIC x 1-1/16" - 12 Female JIC

- 45 deg, 1-1/16-12 inch flare x swivel str thread, control valve, at port number 3, if used

1шт.

12a

S120884

PLUG

- flow regulator, no longer used, not shown

2шт.

13

S400833

HOSE

- 18 inch (457 mm) long, valve to left-hand cylinder, used with swivel fittings at port numbers 3 and 4

2шт.

13a

S76155

HOSE

- 28 inch (711 mm) long, valve to left-hand cylinder, used when swivel fittings are not installed at port numbers 3 and 4

2шт.

14

S238817

TUBE ASSY.,0.75" OD

TUBE - to left-hand cylinder, front, upper

1шт.

15

S238818

TUBE ASSY.,0.75" OD

TUBE - to left-hand cylinder, rear, lower

1шт.

16

S97491

CLAMP

- tubes, includes hardware and rubber insulator

8шт.

17

S76155

HOSE

- 28 inch (711 mm) long, from control valve port numbers 1 and 2 and at cylinders on both sides

6шт.

18

218-5231

ELBOW,90 Degree, 1 1/16"-12, 37 Degree x 1 1/16"-12, 37 Degree Fem Sw

- 90 degree, 1-1/16-12 inch flare x swivel flare, at cylinders and at port number 4, if used

4-5шт.

18

218-5231

ELBOW,90 Degree, 1 1/16"-12, 37 Degree x 1 1/16"-12, 37 Degree Fem Sw

- swivel, 90 degree, at cylinders and at port number 4, if used

4-5шт.

19

G105017

CYLINDER

- outrigger, parts list Fig. 8-100

2шт.

20

S238811

TUBE ASSY.,0.75" OD

TUBE - to right-hand cylinder, rear, lower

1шт.

21

S238812

TUBE ASSY.,0.75" OD

TUBE - to right-hand cylinder, front, upper

1шт.

Выбрано товаров: 24