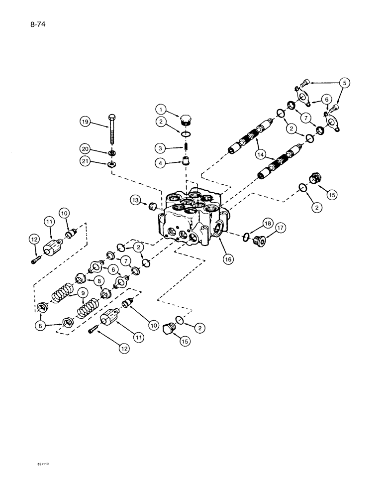
Запчасти Case 1085B (8-074) - TWO SPOOL OUTRIGGER CONTROL VALVE (08) - HYDRAULICS

Схема запчастей Case 1085B - (8-074) - TWO SPOOL OUTRIGGER CONTROL VALVE (08) - HYDRAULICS
FIT
1:1
100%

Артикул

Название

Примечание

Количество

S514898

VALVE

ASSEMBLY - control, two spool, outrigger, Includes, Ref. 1 - 16

1шт.

1

S13714

PLUG

- hex head, upper

2шт.

2

238-5214

O-RING,0.139" Thk x 0.984" ID, -214, Cl 5, 75 Duro

8шт.

3

S13715

SPRING

- poppet

2шт.

4

S13716

VALVE POPPET

POPPET - load check valve

2шт.

5

61-68

HEX SOC SCREW,3/8"-16 x 1/2"

BOLT - hex socket head, 3/8 NC x 1/2 inch

4шт.

6

S13829

PLATE

- seal retaining

4шт.

7

S62092

WIPER

- spool

4шт.

8

S62288

SEAT

- spring

4шт.

9

S104822

SPRING

- spool

2шт.

10

S62292

BOLT

- special

2шт.

11

S62278

CAP

- spool

2шт.

12

61-616

HEX SOC SCREW,3/8"-16 x 1"

BOLT - hex socket head, 3/8 NC x 1 inch

4шт.

13

221-845

PLUG,Hex Soc, 3/4"-14

- hex socket, 3/4 inch PT

1шт.

14

S215228

SPOOL - outrigger control valve

2шт.

15

S13707

PLUG

- hex head, side

2шт.

16

NSS

NOT SOLD SEPARAT

HOUSING - outrigger control valve

1шт.

17

218-5214

PLUG,Hex Soc, 1 5/16"-12 ORB

Incl. Ref 18 Hex Soc, 1 5/16"-12 ORB

1шт.

18

237-6016

O-RING,0.116" Thk x 1.171" ID, -916, Cl 6, 90 Duro

- 1-11/64 ID x 7/64 inch

1шт.

19

413-856

BOLT,Hex, 1/2" - 13 x 3-1/2", Gr 5

- hex, 1/2 NC x 3-1/2 inch

3шт.

20

80679

LOCK WASHER,1/20.507 CST ZND

WASHER, LOCK, 1/2"

3шт.

21

495-11053

WASHER,1/2", SAE

(17/32" x 1-1/16" x 5/64") 1/2", SAE

3шт.

Выбрано товаров: 0