Запчасти Case 1085B (2-020) - TURBOCHARGER SYSTEM, 6T-590 ENGINE (02) - ENGINE

Схема запчастей Case 1085B - (2-020) - TURBOCHARGER SYSTEM, 6T-590 ENGINE (02) - ENGINE
FIT
1:1
100%

Артикул

Название

Примечание

Количество

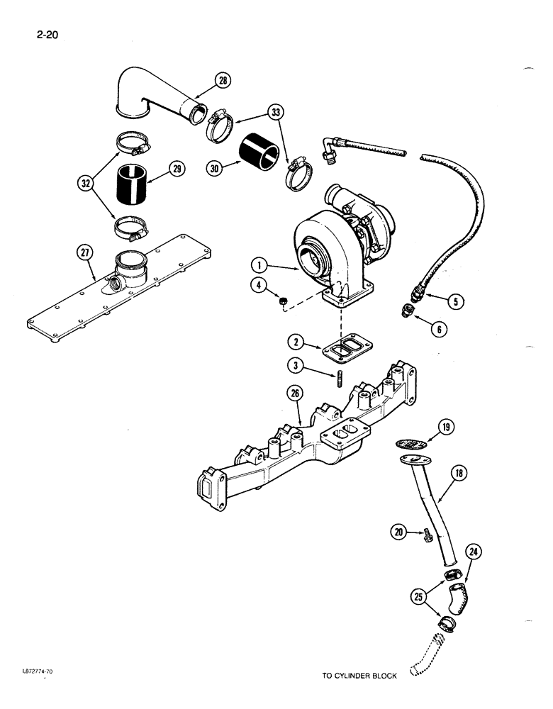
1

REF

INSTRUCTION

TURBOCHARGER ASSEMBLY - engine (See Figure 2-22)

1шт.

2

J901356

GASKET,0.5mm Thk

-, Serial Range: turbocharger-manifold

1шт.

3

J905417

STUD

- turbocharger mounting 10 x 40 mm

4шт.

4

J901961

NUT

- hex, 10 mm - 1.25

4шт.

5

J909548

HOSE

ASSEMBLY - oil supply, turbocharger (Replaces J909547)

1шт.

6

A77457

FITTING

CONNECTOR - supply hose

1шт.

18

J905202

TUBE

- oil drain

1шт.

19

J901805

GASKET

- oil drain tube

1шт.

20

J900630

BOLT,Hex Flg, M8 x 20, 8.8, Full Thd

- hex flange, 8 mm - 1.25 x 20 mm

2шт.

24

J903745

LARGE HOSE

HOSE - turbocharger oil drain

1шт.

25

214-1416

HOSE CLAMP,#16, 0.81" - 1.5", Type F Worm

CLAMP, HOSE, , Adj. #16, 0.81/1.50 Type F Worm

2шт.

26

REF

INSTRUCTION

MANIFOLD - exhaust (See Fig. 2-024)

1шт.

27

REF

INSTRUCTION

COVER - intake manifold (See Fig. 2-024)

1шт.

28

J906972

AIR INTAKE TUBE,53.8 - 66.5 mm OD x 198.1, 79.6 mm L

TUBE - air intake

1шт.

29

J904422

HOSE

- crossover tube

1шт.

30

J901804

INTAKE AIR HOSE

HOSE - crossover, hose

1шт.

32

214-260

HOSE CLAMP,#36, 1.81" - 2.75", Type F Worm

2шт.

33

214-258

HOSE CLAMP,#28, 1.31" - 2.25", Type F Worm

2шт.

Выбрано товаров: 18