Запчасти Case 1085B (9-076) - WRIST-O-TWIST (09) - CHASSIS

Схема запчастей Case 1085B - (9-076) - WRIST-O-TWIST (09) - CHASSIS
FIT
1:1
100%

Артикул

Название

Примечание

Количество

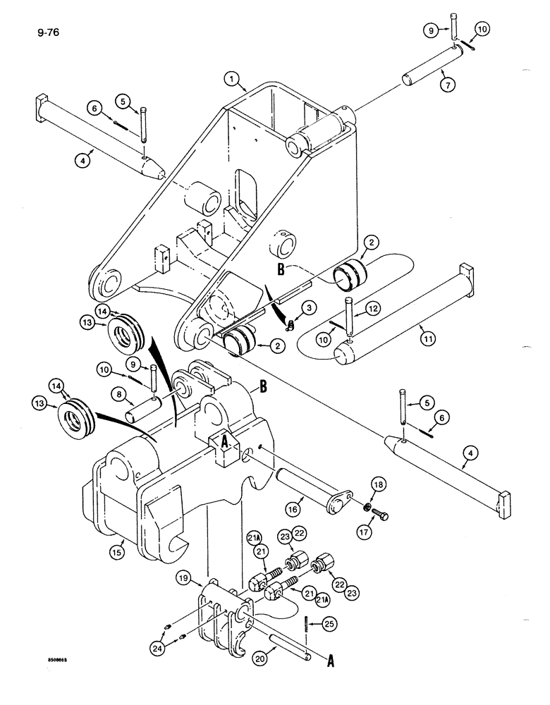
1

S57910

FRAME

- upper

1шт.

2

S202163

BUSHING

- latch hinge mounting

2шт.

3

219-40

LUBE NIPPLE,65 Degree Elbow, 1/8" - 27 NPTF

FITTING - grease, 65 degree, 1/8 PT x 7/8 inch

1шт.

4

S213911

PIN

- upper frame to tool boom and attachment link

2шт.

5

S61972

PIN

- clevis, frame mounting and latch hinge pins

2шт.

6

432-816

COTTER PIN,1/8" x 1"

1/8" x 1"

2шт.

7

S74766

PIN

- closed end of cylinder to upper frame

1шт.

8

S75299

PIN

- rod end of cylinder to latch hinge

1шт.

9

S61971

CLEVIS PIN,15.88mm OD x 80.16mm L

PIN - clevis, cylinder pins

2шт.

10

432-1016

COTTER PIN,5/32" x 1"

5/32" x 1"

3шт.

11

S201022

PIN

- latch hinge to upper frame

1шт.

12

S61976

CLEVIS PIN

PIN - clevis, latch hinge pin

1шт.

13

S88992

WASHER

- shim, 1/16 inch (1.5 mm) thick, hinge mounting pin

1шт.

14

S88993

WASHER

- shim, 3/32 inch (2.3 mm) thick, hinge mounting pin

1шт.

S516090

LATCH

HINGE ASSEMBLY - quick latch, Includes, Ref. 15 - 25

1шт.

15

NSS

NOT SOLD SEPARAT

FRAME - hinge, quick latch

1шт.

16

N8757

PIN

- locking, Serial Range: latch-hinge

1шт.

17

413-820

BOLT,Hex, 1/2" - 13 x 1-1/4", Gr 5

- hex, 1/2 NC x 1-1/4 inch

1шт.

18

80679

LOCK WASHER,1/20.507 CST ZND

WASHER, LOCK, 1/2"

1шт.

19

N8755

LATCH

1шт.

20

N8756

PIN

- latch, Serial Range: bolts-latch

1шт.

21

N8754

BOLT

- latch locking, 3/4 inch diameter, used on units prior to SN 22238

2шт.

Refs. 21 and 22 are not part of hinge assembly. Need to order separately.

1шт.

21a

S300397

BOLT

- latch locking, 1 inch diameter, used on units SN 22238 and after

2шт.

22

N9131

LOCK NUT

NUT - latch locking, with shoulder, 3/4 inch diameter, used on units prior to SN 22238

1шт.

Refs. 21 and 22 are not part of hinge assembly. Need to order separately.

1шт.

23

S300396

LOCK NUT

- latch locking, with shoulder, 1 inch diamter, used on units SN 22238 and after

1шт.

24

219-1

LUBE NIPPLE,1/8" - 27 NPTF

FITTING - grease, straight, 1/8 PT x 21/32 inch

2шт.

25

138-138

LOCK PIN,1/4" x 1 1/2", Slotted

PIN, , Latch bolt pin (ref. 20), if used 1/4" x 1 1/2", Slotted

1шт.

Выбрано товаров: 29