Запчасти Case 1085B (3-012) - ACCELERATOR LOCK VALVE (03) - FUEL SYSTEM

Схема запчастей Case 1085B - (3-012) - ACCELERATOR LOCK VALVE (03) - FUEL SYSTEM
FIT
1:1
100%

Артикул

Название

Примечание

Количество

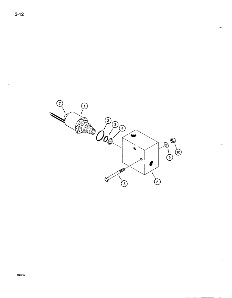
S115892

VALVE

ASSEMBLY - accelerator lock

1шт.

N60092

CARTRIDGE

SOLENOID ASSEMBLY - coil, Includes: Ref. 1 - 4

1шт.

1

NSS

NOT SOLD SEPARAT

BODY - coil

1шт.

2

237-6008

O-RING,0.087" Thk x 0.644" ID, -908, Cl 6, 90 Duro

8-1, 90 Duro, .644" ID x .087" Thk, Cartridge

1шт.

3

238-5012

O-RING,0.07" Thk x 0.364" ID, -12, Cl 5, 75 Duro

-012, 70 Duro, .364" ID x .070" Thk, Cartridge

1шт.

4

S99877

BACK-UP RING,Split, 9.91mm ID x 12.65mm OD x 1.32mm Thk

- backup, small O-ring

1шт.

5

NSS

NOT SOLD SEPARAT

HOUSING - valve

1шт.

6

S116422

COIL

- lock valve, 24 volt, not shown

1шт.

7

N13016

NUT

- hex, special

1шт.

8

413-436

BOLT,Hex, 1/4" - 20 x 2-1/4", Gr 5

2шт.

9

195-101

WASHER,3/16"

- flat, 1/4 x 9/16 x 3/64 inch

2шт.

10

86625061

NUT,1/4"-20, GB

NUT - light hex, self-locking, 1/4 inch NC

2шт.

Выбрано товаров: 0