Запчасти Case 1085B (4-048) - LEFT-HAND INSTRUMENT PANEL, CONSOLE AND COVERS (04) - ELECTRICAL SYSTEMS

Схема запчастей Case 1085B - (4-048) - LEFT-HAND INSTRUMENT PANEL, CONSOLE AND COVERS (04) - ELECTRICAL SYSTEMS
FIT
1:1
100%

Артикул

Название

Примечание

Количество

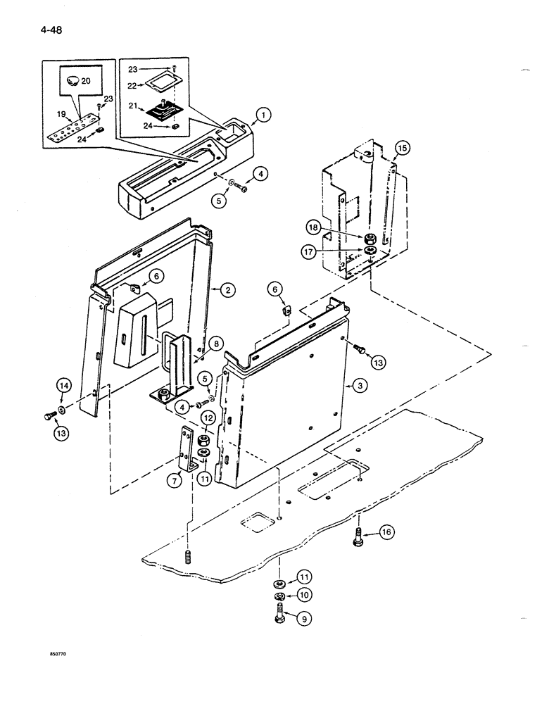
1

S956663

COVER

- console and instrument panel

1шт.

2

S956667

PANEL

- console, outside

1шт.

3

S956665

PANEL

- console, inside

1шт.

4

179-156

SCREW,Cross Oval Hd, #10 - 24 x 3/4"

- machine, oval head Phillips, No. 10 NC x 3/4 inch

6шт.

5

F64315

WASHER

- special finish, black

6шт.

6

S117167

CLIP

NUT - U-type, No. 10 NC

6шт.

7

S239381

BRACKET

- support, console

1шт.

8

S515510

BRACKET

HANDLE - assist, operator

1шт.

9

413-628

BOLT,Hex, 3/8" - 16 x 1-3/4", Gr 5

- hex, 3/8 NC x 1-3/4 inch

2шт.

10

492-11038

LOCK WASHER,3/8"

2шт.

11

196-5

WASHER,13/32" x 1 1/16" x .095", HDN

- flat, 13/32 x 1-1/16 x 1/8 inch, hardened

3шт.

12

131-52

NUT,3/8"-16, GC

NUT - light hex, self-locking, 3/8 inch NC

1шт.

13

187-575

SELF-TAP SCREW,Hex Washer, 1/4" - 20 x 3/4"

SCREW - hex washer head, self-tapping, 1/4 NC x 3/4 inch

8шт.

14

195-2250

WASHER,.266" x 13/16" x .083"

- flat, 17/64 x 13/16 x 3/32 inch

4шт.

15

S615425

SUPPORT

BRACKET - support, left-hand control

1шт.

16

413-620

BOLT,Hex, 3/8" - 16 x 1-1/4", Gr 5

- hex, 3/8 NC x 1-1/4 inch

2шт.

17

195-101

WASHER,3/16"

- flat, 1/4 x 9/16 x 3/64 inch

2шт.

18

131-52

NUT,3/8"-16, GC

NUT - light hex, self-locking, 3/8 inch NC

2шт.

19

321-6458

DECAL

PANEL - instrument, left-hand

1шт.

20

353-402

PLUG,Dome, .375" hole, Nylon

Instrument panel, If used Dome, .375" hole, Nylon

1шт.

20

353-404

PLUG,Dome, .500" hole, Nylon

Instrument panel, if used Dome, .500" hole, Nylon

2шт.

21

S615715

BOOT

- control handle, at console

1шт.

22

S239340

FLANGE

RETAINER - boot

1шт.

23

179-156

SCREW,Cross Oval Hd, #10 - 24 x 3/4"

- machine, oval head Phillips, No. 10 NC x 3/4 inch

8шт.

24

S117167

CLIP

NUT - U-type, No. 10 - 24 NC

8шт.

Выбрано товаров: 25