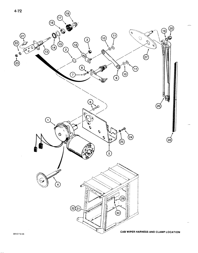
Запчасти Case 1085B (4-072) - WINDSHIELD WIPER, USED WITH LOGGER CAB (04) - ELECTRICAL SYSTEMS

Схема запчастей Case 1085B - (4-072) - WINDSHIELD WIPER, USED WITH LOGGER CAB (04) - ELECTRICAL SYSTEMS
FIT
1:1
100%

Артикул

Название

Примечание

Количество

NSS

NOT SOLD SEPARAT

MOTOR ASSEMBLY- wiper, 24 volt, order component parts separately

1шт.

F93654

WIPER MOTOR

MOTOR ASSEMBLY - windshield wiper, Includes: Ref. 1 - 4

1шт.

1

NSS

NOT SOLD SEPARAT

MOTOR - windshield wiper

1шт.

2

D71411

WASHER

SPRING - Belleville, motor mounting

1шт.

3

F44452

LOCK NUT

- special locking

1шт.

4

N13124

PINION

GEAR - drive, plastic, with shaft

1шт.

5

D72850

BRACKET

- motor

1шт.

6

D72849

SCREW

- with lock washer, Serial Range: bracket-motor

3шт.

7

459-1108

SCREW,Slotted Pan Hd, #10-32 x 1/2"

- machine, pan head slotted, No. 10-32 NF x 1/2"

2шт.

8

492-11010

LOCK WASHER,#10

WASHER, LOCK, #10

2шт.

9

D71427

LINK,85.85mm L

- wiper

1шт.

10

A22431

WASHER

- spacer

2шт.

11

D71414

CLIP

- spring

2шт.

12

S121118

ARM ASSY.

ARM - wiper drive

1шт.

D72848

SHAFT

PIVOT ASSEMBLY - windshield wiper, Includes: Ref. 13 - 23

1шт.

13

NSS

NOT SOLD SEPARAT

SHAFT - windshield wiper pivot

1шт.

14

D71417

SPECIAL WASHER

WASHER - felt

1шт.

15

D71418

WASHER

- steel, flat

1шт.

16

D71419

NUT

- special

1шт.

17

D71420

CAP

COVER - rubber

1шт.

18

D71421

TOOL

BUSHING - with teeth

1шт.

19

193-95

LOCK WASHER,Ext Tooth, 5/16"

WASHER, LOCK, Ext Tooth, 5/16"

1шт.

20

D71422

NUT

- dome, shaft

1шт.

21

D73642

PIN

- special

1шт.

22

193-60

LOCK WASHER,Int Tooth, 1/4"

WASHER, LOCK, Int Tooth, 1/4"

1шт.

23

425-154

JAM NUT,Jam, 1/4"-28, G5

1шт.

24

414-412

BOLT,Hex, 1/4" - 28 x 3/4", Gr 5

- hex, 1/4 NF x 3/4 inch

2шт.

25

492-11025

LOCK WASHER,1/4"

WASHER, LOCK, 1/4"

2шт.

26

L35260

ARM

- wiper

1шт.

27

S225154

KIT

ADAPTER - wiper arm and, Serial Range: shaft-windshield

1шт.

28

F43938

WIPER BLADE

BLADE - wiper

1шт.

29

S240413

HARNESS

- electrical, windshield wiper

1шт.

30

223-158

ROD, CONNECTING

CONNECTOR - male, 3 contact

1шт.

31

A62209

CLAMP,5/16", Insul, 1/4" Bolt

- wiring harness

7шт.

32

276-2056

SELF-TAP SCREW,Hex Hd, #10 x 3/8"

SCREW - self-tapping, hex head, No. 10 NC x 3/8 inch, not shown

7шт.

Выбрано товаров: 35