Запчасти Case 1085C (7-02) - FRONT AXLE BRAKE CALIPERS (07) - BRAKES

Схема запчастей Case 1085C - (7-02) - FRONT AXLE BRAKE CALIPERS (07) - BRAKES
FIT
1:1
100%

Артикул

Название

Примечание

Количество

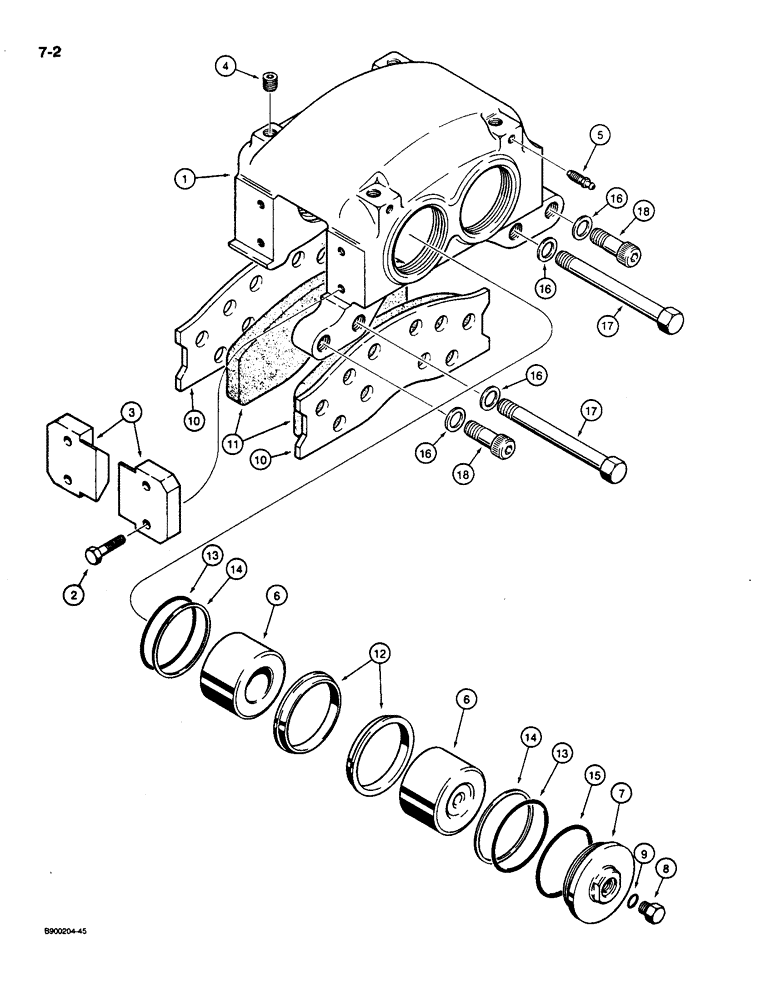
S517957

AXLE

- front, Includes: Ref. 1 - 13 figure 6-30, 1 - 26 figure 6-32, 1 - 29 figure 6-34, 1 - 21 figure 6-36, 22 - 47 figure 6-38, and 1 - 18 this figure

1шт.

S301288

DISC

CALIPER ASSEMBLY - brake, front, Includes: Ref. 1 - 15

2шт.

1

NSS

NOT SOLD SEPARAT

BODY - caliper

1шт.

2

113-2618

BOLT,Hex, 5/8" - 11 x 1-1/2", Gr 8, Full Thd

Hex, 5/8"-11 x 1 1/2", G8

8шт.

3

N7962

PLATE

- lining retaining

4шт.

4

221-841

PLUG

- hex socket, 1/4 inch PT

4шт.

5

N7966

BLEEDER

VALVE - bleeder

2шт.

6

N7963

PISTON

- brake

4шт.

7

N7965

COVER

HEAD - piston

2шт.

8

129998

PLUG,1/2" - 20 ORB

Incl. Ref. 9 Hex Hd, 1/2"-20 ORB

2шт.

S301265

LINING

KIT - brake shoe and lining, Includes: Ref. 10 and 11

2шт.

10

NSS

NOT SOLD SEPARAT

SHOE - brake

1шт.

11

NSS

NOT SOLD SEPARAT

LINING - brake

1шт.

12

S301256

SEAL

WIPER - piston

4шт.

13

S301259

O-RING

- piston

4шт.

14

S301258

BACK-UP RING

RING - backup, piston O-ring

4шт.

15

S301260

O-RING

- head

2шт.

16

S104953

WASHER

- flat, special

8шт.

17

S301328

BOLT

- hex, special

4шт.

18

S301329

BOLT

- ferry head, special

4шт.

9

237-6005

O-RING,0.072" Thk x 0.414" ID, -905, Cl 6, 90 Duro

5-1, 90 Duro, .414" ID x .072" Thk

1шт.

Выбрано товаров: 21