Запчасти Case 1085C (2-02) - RADIATOR, OIL COOLER AND HOSES (02) - ENGINE

Схема запчастей Case 1085C - (2-02) - RADIATOR, OIL COOLER AND HOSES (02) - ENGINE
FIT
1:1
100%

Артикул

Название

Примечание

Количество

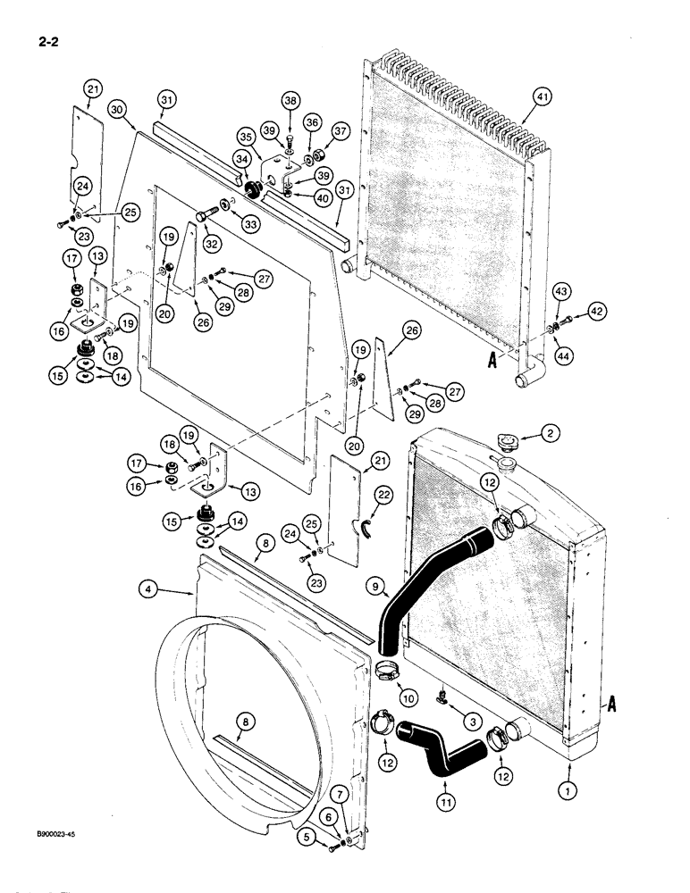
1

A189217

RADIATOR

- engine cooling

1шт.

2

A170241

RADIATOR CAP

CAP, RADIATOR, Filler, 15 psi

1шт.

3

217-103

COCK, DRAIN

VALVE - drain, 1/4 inch thread

1шт.

4

A172295

SHROUD

- fan

1шт.

5

614-8020

BOLT,Hex, M8 x 1.25 x 20mm

8шт.

6

892-11008

LOCK WASHER,8mm ID

WASHER, LOCK, M8

8шт.

7

895-15008

WASHER,9mm ID x 20mm OD x 1.6mm Thk

- flat, 9 x 21 x 1.6 mm

8шт.

8

A171317

SEAL

-, Serial Range: shroud-radiator

2шт.

9

S516311

HOSE,45.00 mm ID, 58.00 mm ID x 370.00 mm, SAE 20R4 CLASS C

RADIATOR HOSE, , Upper 45.00 mm ID, 58.00 mm ID x 370.00 mm, SAE 20R4 CLASS C

1шт.

10

214-258

HOSE CLAMP,#28, 1.31" - 2.25", Type F Worm

adj. #28, 1.31/2.25 Type F Worm

1шт.

11

S516312

HOSE,58.00 mm ID x 327.00 mm, SAE 20R4 CLASS C

RADIATOR HOSE, , Lower 58.00 mm ID x 327.00 mm, SAE 20R4 CLASS C

1шт.

12

214-261

HOSE CLAMP,#40, 2.06" - 3", Type F Worm

CLAMP - adj, 2-1/16 - 3 inch dia

3шт.

13

S243494

BRACKET

- radiator mounting, lower

2шт.

14

S120936

WASHER

- special, radiator mounting bracket, lower

4шт.

15

L46821

SHOCK ABSORBER

BUSHING - lower radiator mounting bracket

2шт.

16

96-81005

WASHER,.521" x 2" x .134", HDN

- flat, 1/2 inch, hardened, upper

2шт.

17

131-70

NUT,1/2"-13, GB

NUT - hex, self-locking, 1/2 inch NC

2шт.

18

413-520

BOLT,Hex, 5/16" - 18 x 1-1/4", Gr 5

- hex, 5/16 NC x 1-1/4 inch

4шт.

19

496-41034

WASHER,.344" x 1" x .098", HDN

8шт.

20

231-1445

NUT,5/16"-18, GB

NUT - hex, self-locking, 5/16 inch NC

4шт.

21

S243493

SHROUD

- air

2шт.

22

S243600

ORNAMENTAL STRIP

EDGE - trim, 3 inch (75 mm) long, cut from F64277 bulk edge, see below

2шт.

23

413-416

BOLT,Hex, 1/4" - 20 x 1", Gr 5

- hex, 1/4 NC x 1 inch

4шт.

24

492-11025

LOCK WASHER,1/4"

WASHER, LOCK, 1/4"

4шт.

25

496-21028

WASHER,.281" x 5/8" x .075", HDN

- flat, 9/32 x 5/8 x 5/64 inch, hardened

4шт.

26

S243598

COVER

- air shroud

2шт.

27

413-416

BOLT,Hex, 1/4" - 20 x 1", Gr 5

- hex, 1/4 NC x 1 inch

4шт.

28

492-11025

LOCK WASHER,1/4"

WASHER, LOCK, 1/4"

4шт.

29

496-41034

WASHER,.344" x 1" x .098", HDN

4шт.

F64277

SEAL

EDGE - trim, bulk, 570 inch (14478 mm) long

1шт.

30

S619530

BRACKET

- mounting, radiator and oil cooler

1шт.

31

S121048

SEAL

- 85 inch (2159 mm) long, cut from S120012 bulk seal, see below

1шт.

32

413-836

BOLT,Hex, 1/2" - 13 x 2-1/4", Gr 5

1шт.

33

496-21053

WASHER,17/32" x 1 1/16" x .134"

- flat, 17/32 x 1-1/16 x 1/8 inch, hardened

1шт.

34

L46821

SHOCK ABSORBER

BUSHING - upper radiator mounting bracket

1шт.

35

S243506

BRACKET

- radiator mounting, upper

1шт.

36

96-81005

WASHER,.521" x 2" x .134", HDN

- flat, 1/2 inch, hardened

1шт.

37

131-70

NUT,1/2"-13, GB

NUT - hex, self-locking, 1/2 inch NC

1шт.

38

413-520

BOLT,Hex, 5/16" - 18 x 1-1/4", Gr 5

- hex, 5/16 NC x 1-1/4 inch

2шт.

39

496-41034

WASHER,.344" x 1" x .098", HDN

4шт.

40

231-1445

NUT,5/16"-18, GB

NUT - hex, self-locking, 5/16 inch NC

2шт.

41

A189146

COOLER

- hydraulic oil

1шт.

42

613-8025

BOLT,Hex, M8 x 1.25 x 25mm, Cl 8.8, Full Thd

- hex, 8 - 1.25 x 25 mm

8шт.

43

892-11008

LOCK WASHER,8mm ID

WASHER, LOCK, M8

8шт.

44

895-11008

WASHER,9mm ID x 16mm OD x 1.6mm Thk

- flat, 9 x 17 x 2 mm

8шт.

S120012

SEAL

- bulk, 158 inch (4013 mm) long

1шт.

Выбрано товаров: 46