Запчасти Case 1085C (9-050) - SUSPENSION SEAT (09) - CHASSIS/ATTACHMENTS

Схема запчастей Case 1085C - (9-050) - SUSPENSION SEAT (09) - CHASSIS/ATTACHMENTS
FIT
1:1
100%

Артикул

Название

Примечание

Количество

S517337

SEAT ASSY.

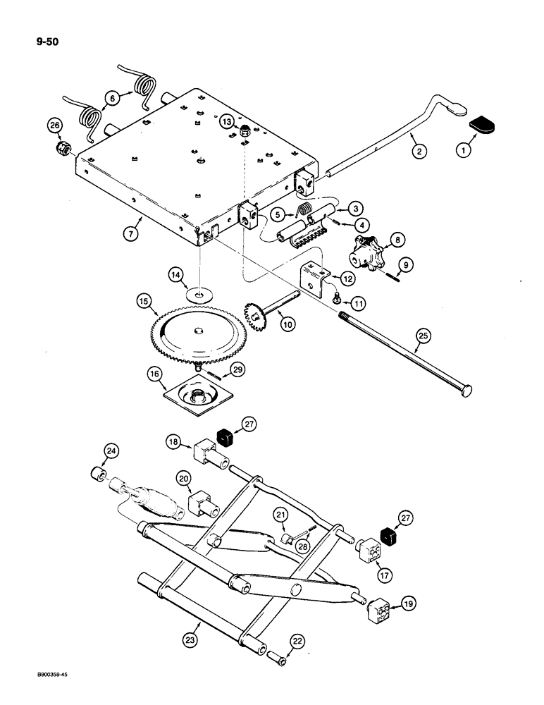
SEAT ASSEMBLY - suspension, Includes: Ref. 1 - 27 figure 9-048, 1 - 29 this figure, and 1 - 12 figure 9-052

1шт.

1

N6858

HOUSING

CAP AND DECAL - height adjustment lever

1шт.

Part of seat suspension support kit P/N S301392

1шт.

2

S301396

ADJUSTER

LEVER - height adjustment

1шт.

Part of seat suspension support kit P/N S301392

1шт.

3

A47381

LATCH

- lever

1шт.

Part of seat suspension support kit P/N S301392

1шт.

4

138-2057

PIN,5/32" x 5/8", Coiled

1шт.

Part of seat suspension support kit P/N S301392

1шт.

5

A47382

SPRING

- latch

1шт.

Part of seat suspension support kit P/N S301392

1шт.

6

A47384

SPRING

- housing

2шт.

Part of seat suspension support kit P/N S301392

1шт.

7

A47761

PLATE

HOUSING - upper

1шт.

Part of seat suspension support kit P/N S301392

1шт.

8

A47763

KNOB

ASSEMBLY - includes handle and decals, which are not serviced separately

1шт.

Part of seat suspension support kit P/N S301392

1шт.

9

135-45

PIN - groove, 5/32 x 1 inch, full length, tapered

1шт.

Part of seat suspension support kit P/N S301392

1шт.

10

A45513

GEAR

AND SHAFT - adjustment, weight

1шт.

Part of seat suspension support kit P/N S301392

1шт.

11

111-107

CARRIAGE BOLT,Short NK, 1/4"-20 x 1/2", G2

BOLT - carriage, 1/4 NC x 1/2 inch

2шт.

Part of seat suspension support kit P/N S301392

1шт.

12

A45531

BRACKET

- shaft

1шт.

Part of seat suspension support kit P/N S301392

1шт.

13

86625061

NUT,1/4"-20, GB

NUT - hex, self-locking, 1/4 inch NC

2шт.

Part of seat suspension support kit P/N S301392

1шт.

14

D82834

WASHER

- thrust

1шт.

Part of seat suspension support kit P/N S301392

1шт.

15

A45505

GEAR

AND SHAFT - suspension plate

1шт.

Part of seat suspension support kit P/N S301392

1шт.

16

A45504

SPRING WASHER

BRACKET - spring

1шт.

Part of seat suspension support kit P/N S301392

1шт.

17

CASA45517

BLOCK

- slider, 2-9/16 inch wide

1шт.

Part of seat suspension support kit P/N S301392

1шт.

18

A45515

BLOCK

- slider, 1-9/16 inch wide

1шт.

Part of seat suspension support kit P/N S301392

1шт.

19

A45516

BLOCK

- slider, 2-3/16 inch wide

1шт.

20

A45512

BLOCK

- slider, 1-3/16 inch wide

1шт.

Part of seat suspension support kit P/N S301392

1шт.

21

S301393

INDICATOR

- ride height

1шт.

Part of seat suspension support kit P/N S301392

1шт.

22

A47760

BUSHING

TUBE - bearing

4шт.

Part of seat suspension support kit P/N S301392

1шт.

23

A47759

ARM

- suspension

1шт.

Part of seat suspension support kit P/N S301392

1шт.

24

A45501

BUSHING,0.504" ID x 0.87" OD x 1.417"

- shock absorber

1шт.

Part of seat suspension support kit P/N S301392

1шт.

25

A47762

SHAFT

- bearing

1шт.

Part of seat suspension support kit P/N S301392

1шт.

26

131-1182

LOCK NUT,1/2"-13, GA

NUT - hex, self-locking, 1/2 inch NC

1шт.

Part of seat suspension support kit P/N S301392

1шт.

27

A45054

BUMPER,Neoprene

- seat

2шт.

Part of seat suspension support kit P/N S301392

1шт.

28

135-46

GROOVED PIN,5/32" x 1 1/4", Type A

PIN - groove, 5/32 x 1-1/4 inch, full length, tapered

1шт.

Part of seat suspension support kit P/N S301392

1шт.

29

138-77

LOCK PIN,5/32" x 1", Slotted

PIN, 5/32" x 1", Slotted

1шт.

Part of seat suspension support kit P/N S301392

1шт.

S301392

SUSPENSION

KIT - seat suspension support, Includes Refs. 15 - 18 figure 9-048, 1 - 18 and 20 - 29 this figure, and 1 - 12 figure 9-052

1шт.

Выбрано товаров: 59