Запчасти Case 1085C (4-04) - ALTERNATOR ASSEMBLY, 45 AMPERE - 24 VOLT (04) - ELECTRICAL SYSTEMS

Схема запчастей Case 1085C - (4-04) - ALTERNATOR ASSEMBLY, 45 AMPERE - 24 VOLT (04) - ELECTRICAL SYSTEMS
FIT
1:1
100%

Артикул

Название

Примечание

Количество

A186124

ALTERNATOR

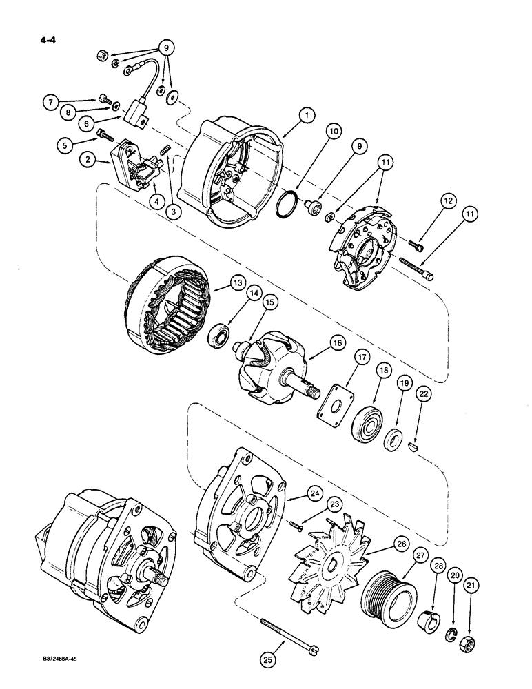
ALTERNATOR ASSEMBLY - 24 volt, 45 amperes, Bosch No. 0 120 489 481, type K1-28V 3/45A, Includes: Ref. 1 - 25

1шт.

AR186124

REMAN-ALTERNATOR

Remanufactured Alternator

1шт.

AC186124

CORE-ALTERNATOR

Return Part Number

1шт.

87297240

REMAN-ALTERNATOR

Remanufactured ALTERNATOR

1шт.

87297241

CORE-ALTERNATOR

Return Part Number

1шт.

1964860C1GV

ALTERNATOR

Value

1шт.

1964860C1R

REMAN-ALTERNATOR

Remanufactured ALTERNATOR 24 volt 65 ampere

1шт.

1964860C1C

CORE-ALTERNATOR

Return Part Number

1шт.

A187916GV

ALTERNATOR

Value

1шт.

AR187916

REMAN-ALTERNATOR

Remanufactured Alternator; 45A 24V

1шт.

AC187916

CORE-ALTERNATOR

Return Part Number

1шт.

1

A187509

HOUSING

HOUSING - collector ring end

1шт.

2

A187505

REGULATOR

REGULATOR - voltage, Includes: Ref. 3 and 4

1шт.

3

NSS

NOT SOLD SEPARAT

SPRING - compression

2шт.

4

NSS

NOT SOLD SEPARAT

BRUSH ASSEMBLY - alternator

1шт.

5

A186194

SCREW,M4 x 18mm

SCREW, , Voltage regulator retaining Sltd Truss Hd, M4 x 18, w/LW

2шт.

6

A186195

CAPACITOR

CAPACITOR - alternator

1шт.

7

625589C1

SCREW,Slot Cheese Hd, M5 x .8 x 10, 8.8

SCREW - fillister head, capacitor retaining

1шт.

8

A186196

WASHER

WASHER - retaining screw

1шт.

9

3079135R1

TERMINAL CONNECTOR

KIT - hardware terminal

1шт.

10

3079386R1

O-RING

O-RING - ball bearing seal, housing

1шт.

11

A187507

RECTIFIER

BRIDGE - rectifier, alternator, includes hardware

1шт.

12

A187504

SCREW

BOLT - with washer, rectifier bridge retaining

3шт.

13

A187506

STATOR

STATOR ASSEMBLY - alternator

1шт.

14

A186186

BALL BEARING,12mm ID x 32mm OD x 10mm W

BEARING - ball, rotor, collector ring end

1шт.

15

A187503

RING

RING - collector

1шт.

16

A187502

ROTOR ASSY.

ROTOR ASSEMBLY - alternator

1шт.

17

3078379R1

COVER

PLATE - bearing retaining, drive end cover

1шт.

18

A186183

BALL BEARING,17 mm ID x 47 mm OD x 14 mm

BEARING - ball, rotor, drive end

1шт.

3078897R1

SET OF PARTS

KIT - rotor retaining, includes key which is not used with A186124 alternator, Includes: Ref. 19 - 23

1шт.

19

NSS

NOT SOLD SEPARAT

RING - spacer

1шт.

20

NSS

NOT SOLD SEPARAT

WASHER - lock, rotor shaft

1шт.

21

NSS

NOT SOLD SEPARAT

NUT - rotor shaft

1шт.

22

NSS

NOT SOLD SEPARAT

KEY - pulley retainer

1шт.

23

NSS

NOT SOLD SEPARAT

SCREW - bearing retaining plate

4шт.

24

A187501

COVER

COVER - drive end

1шт.

25

A186193

BOLT,Pan, Cross Recess Phillips, M5 x 110mm

BOLT - cover retaining

4шт.

26

221425R1

FAN

FAN - alternator

1шт.

27

J908560

PULLEY

PULLEY - drive

1шт.

28

J908563

RETAINER

RETAINER - pulley

1шт.

Выбрано товаров: 40