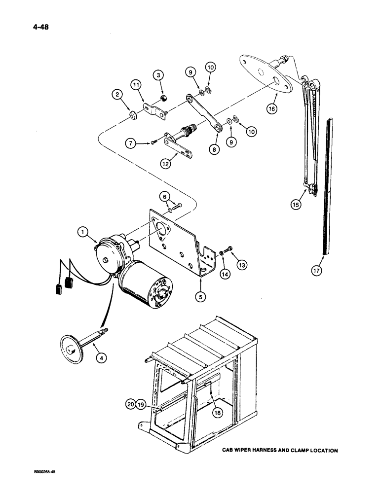
Запчасти Case 1085C (4-48) - WINDSHIELD WIPER, USED WITH MATERIAL HANDLING CAB (04) - ELECTRICAL SYSTEMS

Схема запчастей Case 1085C - (4-48) - WINDSHIELD WIPER, USED WITH MATERIAL HANDLING CAB (04) - ELECTRICAL SYSTEMS
FIT
1:1
100%

Артикул

Название

Примечание

Количество

S516919

MOTOR

ASSEMBLY - wiper, 24 volt, Includes: Ref. 1 - 10

1шт.

F93654

WIPER MOTOR

MOTOR ASSEMBLY - windshield wiper, Includes: Ref. 1 - 4

1шт.

1

NSS

NOT SOLD SEPARAT

MOTOR - windshield wiper

1шт.

2

D71411

WASHER

SPRING - Belleville, motor mounting

1шт.

3

F44452

LOCK NUT

- special locking

1шт.

4

N13124

PINION

GEAR - drive, plastic, with shaft

1шт.

5

D72850

BRACKET

- motor

1шт.

6

D72849

SCREW

- with lock washer, Serial Range: bracket-motor

3шт.

7

F44456

SCREW,0.19" - 32 x 3 3/4"

-, Serial Range: bracket-arm

2шт.

8

D71427

LINK,85.85mm L

- wiper

1шт.

9

A22431

WASHER

- spacer

2шт.

10

D71414

CLIP

- spring

2шт.

11

A36091

ARM

- wiper drive

1шт.

12

D72848

SHAFT

- wiper arm

1шт.

13

414-412

BOLT,Hex, 1/4" - 28 x 3/4", Gr 5

- hex, 1/4 NF x 3/4 inch

2шт.

14

492-11025

LOCK WASHER,1/4"

WASHER, LOCK, 1/4"

2шт.

15

L35260

ARM

- wiper

1шт.

16

S225154

KIT

ADAPTER - wiper arm and, Serial Range: shaft-windshield

1шт.

17

F43938

WIPER BLADE

BLADE - wiper

1шт.

18

S242676

HARNESS

- cab harness to windshield wiper

1шт.

19

A62209

CLAMP,5/16", Insul, 1/4" Bolt

- wiring harness

7шт.

20

276-2056

SELF-TAP SCREW,Hex Hd, #10 x 3/8"

SCREW - hex, self-tapping, No. 10 NC x 3/8 inch, not shown

7шт.

Выбрано товаров: 0