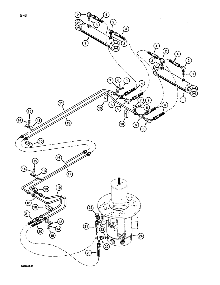
Запчасти Case 1085C (5-06) - LOWER STEERING HYDRAULIC CIRCUIT, HYDRAULIC SWIVEL TO STEERING CYLINDRES (05) - STEERING

Схема запчастей Case 1085C - (5-06) - LOWER STEERING HYDRAULIC CIRCUIT, HYDRAULIC SWIVEL TO STEERING CYLINDRES (05) - STEERING
FIT
1:1
100%

Артикул

Название

Примечание

Количество

1

1978348C3

JACK BODY

CYLINDER ASSEMBLY - steering, parts list Figure: 5-28, mounting pins on Figure: 6-28

2шт.

2

218-5280

ELBOW,90 Degree, 3/4"-16, 37 Degree x 9/16"-18, O-Ring

- 90 degree, adj, 3/4-16 flare x 9/16-18 inch O-ring, Includes: Ref. 3

4шт.

4

S11226

HOSE

- 20 inch long, at steering cylinders

4шт.

5

218-5230

ELBOW,90 Degree, 3/4"-16, 37 Degree x 3/4"-16, 37 Degree Fem Sw

- 90 degree, 3/4-16 inch flare x swivel flare

2шт.

6

218-594

TEE,3/4"-16, 37 Degree

- male, 1-5/16-12 inch flare

2шт.

7

S79585

CLAMP

- tube

2шт.

8

495-11041

WASHER,0.406" ID x 0.812" OD x 0.065" W

(Flat, 13/32 x 13/16 x 1/16") 3/8", SAE

2шт.

9

131-217

LOCK NUT

NUT - hex, self-locking, 3/8 inch NC, grade

2шт.

10

S243565

SPACER

- clamp

5шт.

11

S517590

TUBE ASSY.,12.7 mm OD

TUBE - from hose at steering cylinder to swivel port 7

1шт.

12

S517589

TUBE ASSY.,12.7 mm OD

TUBE - from hose at steering cylinder to swivel port 5

1шт.

13

S83619

CLAMP

- tube

3шт.

14

495-11041

WASHER,0.406" ID x 0.812" OD x 0.065" W

(Flat, 13/32 x 13/16 x 1/16") 3/8", SAE

3шт.

15

131-217

LOCK NUT

NUT - hex, self-locking, 3/8 inch NC, grade 8

3шт.

16

S517909

TUBE ASSY.

TUBE - intermediate, to swivel port 7

1шт.

17

S517911

TUBE ASSY.

TUBE - intermediate, to swivel port 5

1шт.

18

S517905

TUBE ASSY.,12.7 mm OD

TUBE - to hose at swivel port 7

1шт.

19

S517907

TUBE ASSY.,12.7 mm OD

TUBE - to hose at swivel port 5

1шт.

20

S11230

HOSE

- 28 inch long, at swivel port 7

1шт.

21

S11226

HOSE

- 20 inch long, at swivel port 5

1шт.

22

218-5120

ELBOW,90 Degree Elbow, 3/4" - 16 Male JIC x 1-1/16" - 12 Male ORB

- 90 degree adj, 3/4-16 flare x 1-1/16-12 inch O-ring, Includes: Ref. 23

2шт.

23

237-6012

O-RING,0.116" Thk x 0.924" ID, -912, Cl 6, 90 Duro

12-1, 90 Duro, .924 ID x .116" Thk

1шт.

24

S619177

PIVOT

SWIVEL ASSEMBLY - lower hydraulic, parts list Figure: 8-60

1шт.

3

237-6006

O-RING,0.078" Thk x 0.468" ID, -906, Cl 6, 90 Duro

6-1, 90 Duro, .468" ID x .078" Thk

1шт.

Выбрано товаров: 24