Запчасти Case 1085C (5-10) - UPPER STEERING HYDRAULIC CIRCUIT (05) - STEERING

Схема запчастей Case 1085C - (5-10) - UPPER STEERING HYDRAULIC CIRCUIT (05) - STEERING
FIT
1:1
100%

Артикул

Название

Примечание

Количество

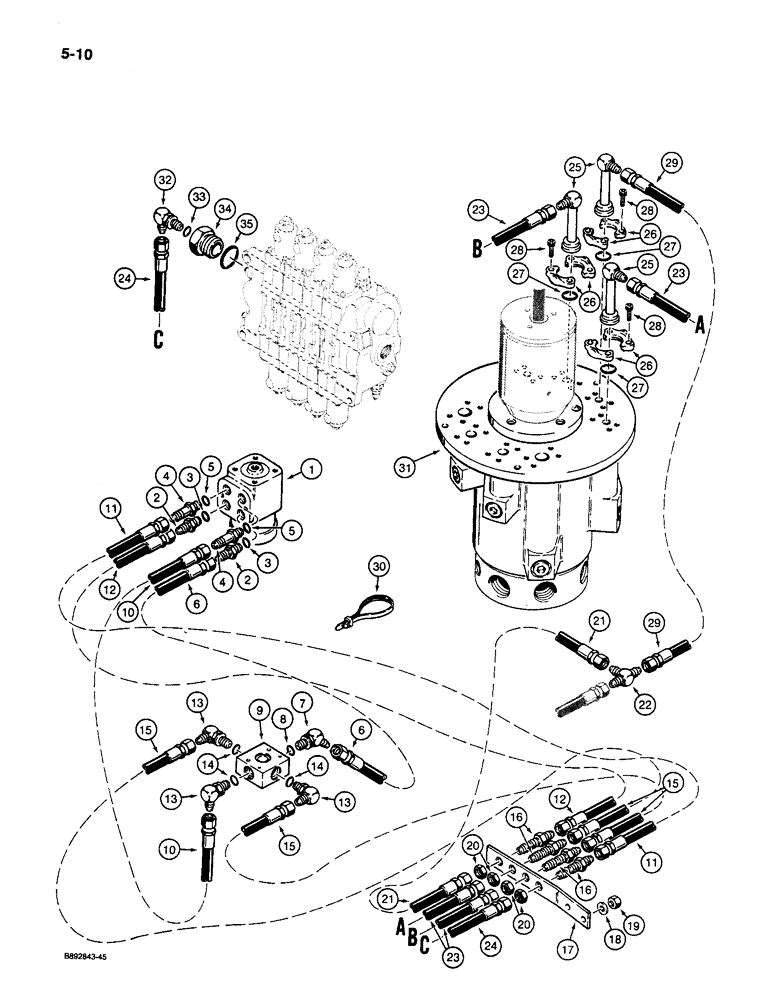
1

1978377C1

VALVE

ASSEMBLY - control, steering, parts list Figure: 5-14

1шт.

2

218-5059

HYD CONNECTOR,3/4"-16, 37 Degree x 3/4"-16, O-Ring

ADAPTER - straight, 3/4-16 inch flare x O-ring boss, Incl. Ref 3

2шт.

3

237-6008

O-RING,0.087" Thk x 0.644" ID, -908, Cl 6, 90 Duro

8-1, 90 Duro, .644" ID x .087" Thk

1шт.

4

218-5031

HYD CONNECTOR,3/4" - 16 Male JIC x 3/4" - 16 Male ORB

ADAPTER - straight, 3/4-16 inch flare x O-ring boss, Includes: Ref. 5

2шт.

5

237-6008

O-RING,0.087" Thk x 0.644" ID, -908, Cl 6, 90 Duro

8-1, 90 Duro, .644" ID x .087" Thk

1шт.

6

S11227

HOSE

- 36 inch long, control valve port R to steering reversal valve, port A

1шт.

7

218-5136

ELBOW,45 Degree Elbow, 3/4" - 16 Male JIC x 3/4" - 16 Male ORB

- 45 degree, 3/4-16 inch flare x O-ring boss, Incl. Ref 8

1шт.

8

237-6008

O-RING,0.087" Thk x 0.644" ID, -908, Cl 6, 90 Duro

8-1, 90 Duro, .644" ID x .087" Thk

1шт.

9

S239555

VALVE

ASSEMBLY - steering reversal, parts list Figure: 5-16

1шт.

10

S243414

HOSE

- 1080 mm long, control valve port L to steering reversal valve, port B

1шт.

11

S11231

HOSE ASSY.

HOSE - 68 inch long, control valve port, Serial Range: T-bracket

1шт.

12

S235935

HOSE ASSY.

HOSE - 78 inch long, control valve port, Serial Range: P-bracket

1шт.

13

218-5106

90 ELBOW,90 Degree Elbow, 3/4" - 16 Male JIC x 3/4" - 16 Male ORB

- 90 degree adj, 3/4-16 inch flare x O-ring boss, Includes: Ref. 14

3шт.

14

237-6008

O-RING,0.087" Thk x 0.644" ID, -908, Cl 6, 90 Duro

8-1, 90 Duro, .644" ID x .087" Thk

1шт.

15

S11227

HOSE

- 36 inch long, steering reversal, Serial Range: valve-bracket

2шт.

16

218-674

FITTING,Blkhd, 3/4"-16, 37 Degree x 3/4"-16, 37 Degree

ADAPTER - bulkhead, 3/4-16 flare

4шт.

17

S243408

BRACKET

- bulkhead fittings

1шт.

18

496-21053

WASHER,17/32" x 1 1/16" x .134"

- flat, 17/32 x 1-1/16 x 1/8 inch, hardened

2шт.

19

131-70

NUT,1/2"-13, GB

NUT - hex, self-locking, 1/2 inch NC

2шт.

20

218-1255

BHD LOCK NUT,Blkhd, 3/4"-16

NUT, LOCK, Blkhd, 3/4"-16

4шт.

21

S11227

HOSE

- 36 inch long, bracket to pilot manifold valve, port A

1шт.

22

218-594

TEE,3/4"-16, 37 Degree

- 3/4-16 inch flare branch x flare

1шт.

23

S11229

HOSE ASSY.

HOSE - 49 inch long, to swivel ports 5 and 7

2шт.

24

S11227

HOSE

- 36 inch long, from bracket to boom and tool valve outlet section

1шт.

25

S243572

TUBE,0.75" OD x 4.5" L

- special, at ports on swivel housing

3шт.

26

A16961

FLANGE

- split, Serial Range: tube-housing

6шт.

27

S6578

O-RING,0.139" Thk x 0.984" ID, -214, Cl 6, 90 Duro

- tube

3шт.

28

61-33820

HEX SOC SCREW,3/8"-16 x 1 1/4"

BOLT - hex socket head, 3/8 NC x 1-1/4 inch

12шт.

29

S243414

HOSE

- 1080 mm long, from tee to swivel port 6

1шт.

30

L18337

CABLE TIE,9.95"-12.1" lg

STRAP - tie, 15 inch, nylon

1шт.

31

S619177

PIVOT

SWIVEL ASSEMBLY - lower hydraulic, parts list Figure: 8-60

1шт.

32

218-5106

90 ELBOW,90 Degree Elbow, 3/4" - 16 Male JIC x 3/4" - 16 Male ORB

- 90 degree, 3/4-16 inch flare x adj O-ring boss, Includes: Ref. 33

1шт.

33

237-6008

O-RING,0.087" Thk x 0.644" ID, -908, Cl 6, 90 Duro

8-1, 90 Duro, .644" ID x .087" Thk

1шт.

34

S243719

PLUG

ADAPTER - special, at control valve, Includes: Ref. 35

1шт.

35

237-6020

O-RING,0.118" Thk x 1.475" ID, -920, Cl 6, 90 Duro

20-1, 90 Duro, 1.475" ID x .118" Thk

1шт.

Выбрано товаров: 35