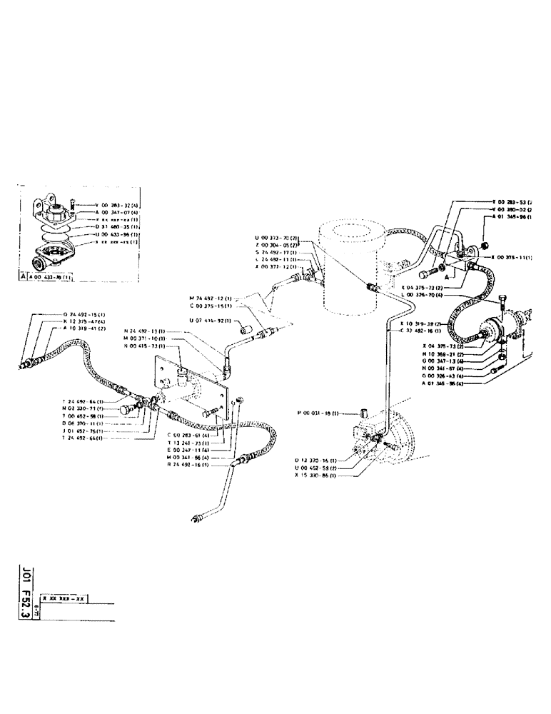
Запчасти Case 75P (134) - NO DESCRIPTION PROVIDED (07) - HYDRAULIC SYSTEM

Схема запчастей Case 75P - (134) - NO DESCRIPTION PROVIDED (07) - HYDRAULIC SYSTEM
FIT
1:1
100%

Артикул

Название

Примечание

Количество

P43378

VALVE

1шт.

86508568

BOLT,Hex, M6 x 1 x 16mm, Cl 8.8

4шт.

P34707

WASHER

4шт.

P3146035

SEAL

1шт.

P43396

DIAPHRAGM

1шт.

P2449215

1шт.

P1237547

FITTING

4шт.

P1031941

HOSE

2шт.

P2449264

1шт.

P233071

SCREW

1шт.

P45258

COPPER SEAL

1шт.

P637011

FITTING

1шт.

P145276

SEAL

13.3 x 21 x 1.2

1шт.

P2449264

1шт.

P2449213

1шт.

P37110

FITTING

1шт.

P41573

GAUGE

1шт.

P2449212

1шт.

P37515

JUNCTION

1шт.

P741492

SPARE PART

1шт.

43140

BOLT,Hex, M10 x 1.5 x 30mm, Cl 8.8

4шт.

P1324173

1шт.

P34711

WASHER

4шт.

100016

NUT,M10 x 1.5, Cl 8

4шт.

P2449216

1шт.

P37370

RESTRICTOR

2шт.

P30405

O-RING

2.62 x 32.99-80

2шт.

P2449217

1шт.

P2449211

1шт.

P37212

TEE

1шт.

P3118

FELT

1шт.

P1337016

FITTING

1шт.

P45259

COPPER SEAL

2шт.

P1533086

JACK SCREW

1шт.

P28353

SCREW

M8 x 30

2шт.

P35002

WASHER

2шт.

P134596

SAFETY NUT

1шт.

P37511

FITTING

1шт.

P437573

SPARE PART

2шт.

P32670

SCREW

M12 x 30

4шт.

P1031939

HOSE

2шт.

P3349216

1шт.

P437573

SPARE PART

2шт.

P1036921

CLAMP

2шт.

P34713

WASHER

4шт.

337475

NUT,M12, Cl 10

4шт.

P32643

SPARE PART M8 x 25 x 25

4шт.

P134596

SAFETY NUT

4шт.

Выбрано товаров: 48