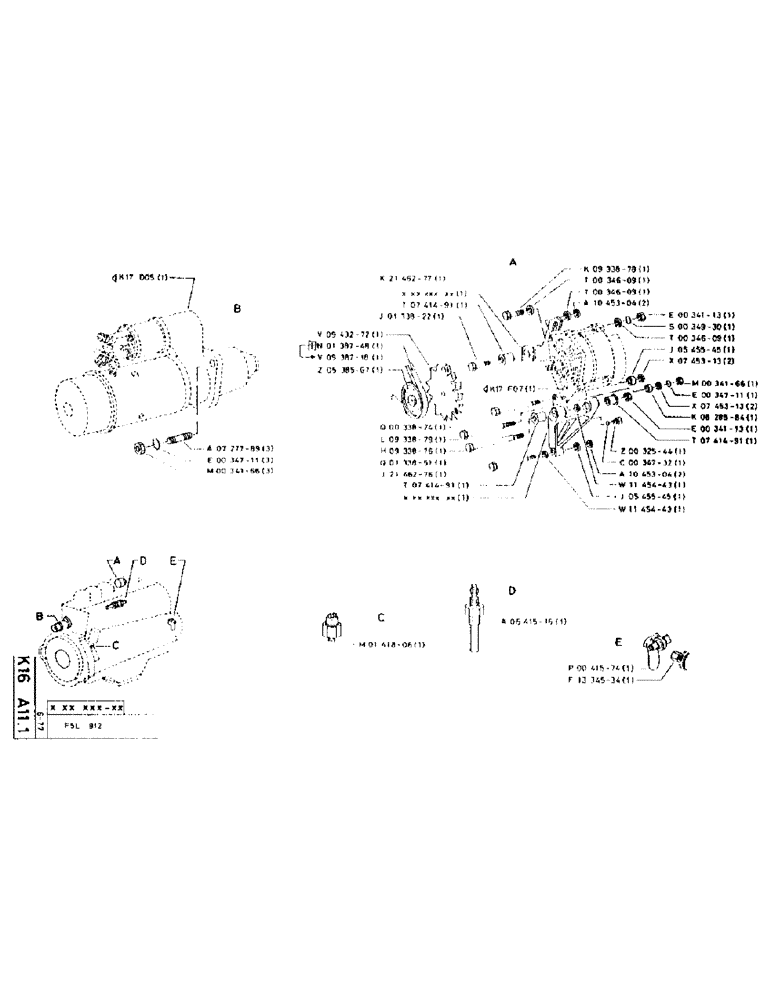
Запчасти Case 75P (151) - NO DESCRIPTION PROVIDED (07) - HYDRAULIC SYSTEM

Схема запчастей Case 75P - (151) - NO DESCRIPTION PROVIDED (07) - HYDRAULIC SYSTEM
FIT
1:1
100%

Артикул

Название

Примечание

Количество

P727789

SPARE PART STUD

3шт.

P34711

WASHER

3шт.

100016

NUT,M10 x 1.5, Cl 8

3шт.

P2146277

SPARE PART BRACKET

1шт.

P741491

DEUTZ PART

SLEEVE

1шт.

P133822

SCREW

M8 x 40

1шт.

P943272

DEUTZ PART

BLADE

1шт.

P138748

BELT

vee 9.5 x 1150

1шт.

P938718

BELT

vee 9.5 x 1150

1шт.

P538567

SPARE PART PULLEY

1шт.

P33824

SCREW

M10 x 100

1шт.

P933879

SCREW

M10 x 130

1шт.

P933876

SCREW

1шт.

P133851

SCREW

M8 x 110

1шт.

P2146276

SPARE PART SUPPORT

1шт.

P741491

DEUTZ PART

SLEEVE

1шт.

P141806

ELECTRO/HYD CONTACT

1шт.

P933878

SPARE PART M8 x 30

1шт.

P34609

WASHER

1шт.

P34609

WASHER

1шт.

P1045304

DEUTZ PART

WASHER

2шт.

P34113

NUT

1шт.

P34930

DEUTZ PART

WASHER spring

1шт.

P34609

WASHER

1шт.

P545545

DEUTZ PART

BUSHING

1шт.

P745313

DEUTZ PART

WASHER

2шт.

100016

NUT,M10 x 1.5, Cl 8

1шт.

P34711

WASHER

1шт.

P745313

DEUTZ PART

WASHER

2шт.

P828584

DEUTZ PART

BUSHING

1шт.

P34113

NUT

1шт.

P741491

DEUTZ PART

SLEEVE

1шт.

P32544

SPARE PART SCREW M5 x 8

1шт.

P34732

WASHER

1шт.

P1045304

DEUTZ PART

WASHER

2шт.

P1145443

DEUTZ PART

WASHER

1шт.

P545545

DEUTZ PART

BUSHING

1шт.

P1145443

DEUTZ PART

WASHER

1шт.

P641516

IGNITION SWITCH

THERMOSTAT

1шт.

P41574

CASE

1шт.

P1334534

DEUTZ PART

NUT

1шт.

Выбрано товаров: 41