Запчасти Case 75P (179) - NO DESCRIPTION PROVIDED (07) - HYDRAULIC SYSTEM

Схема запчастей Case 75P - (179) - NO DESCRIPTION PROVIDED (07) - HYDRAULIC SYSTEM
FIT
1:1
100%

Артикул

Название

Примечание

Количество

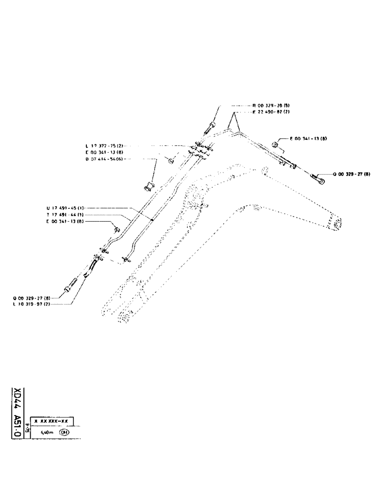
P1737775

JUNCTION

2шт.

P34113

NUT

8шт.

P77414-54

6шт.

P1749145

1шт.

P1749144

PIPE

1шт.

P34113

NUT

8шт.

P32927

SCREW

M8 x 50

9шт.

P1031997

HOSE

2шт.

P32928

SCREW

M8 x 75

8шт.

P2249082

PIPE

2шт.

P34113

NUT

8шт.

P32927

SCREW

M8 x 50

8шт.

Выбрано товаров: 12