Запчасти Case 75P (200) - NO DESCRIPTION PROVIDED (19) - BUCKETS

Схема запчастей Case 75P - (200) - NO DESCRIPTION PROVIDED (19) - BUCKETS
FIT
1:1
100%

Артикул

Название

Примечание

Количество

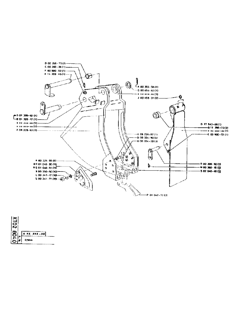
P35975

BUSHING

55 x 70 x 48

2шт.

P36020

SPLIT PIN/SAFETY PIN

1шт.

P50053

SHAFT LOCK

1шт.

P1430945

1шт.

P730969

HEADED PIN

1шт.

P130917

LARGE PIN

PIN, LARGE

1шт.

P822663

STIFFENER

1шт.

P32499

SCREW

6шт.

P104090

BLADE

1шт.

P104091

BLADE

1шт.

P35050

WASHER

10шт.

P34717

WASHER, LOCK

10шт.

P34171

NUT

10шт.

P35558

SPLIT PIN

8 x 100

1шт.

P45462

WASHER

1шт.

J45801

LUBE NIPPLE,M8 x 1.25

2шт.

P822662

STIFFENER

1шт.

P32490

SCREW

4шт.

P35438

RIVET

3шт.

P104272

TOOTH

3шт.

P1754305

1шт.

P1128670

2шт.

P50073

SHAFT LOCK

1шт.

P30950

HEADED PIN

1шт.

P36015

SPLIT PIN/SAFETY PIN

1шт.

P204049

SPARE PART

1шт.

Выбрано товаров: 26