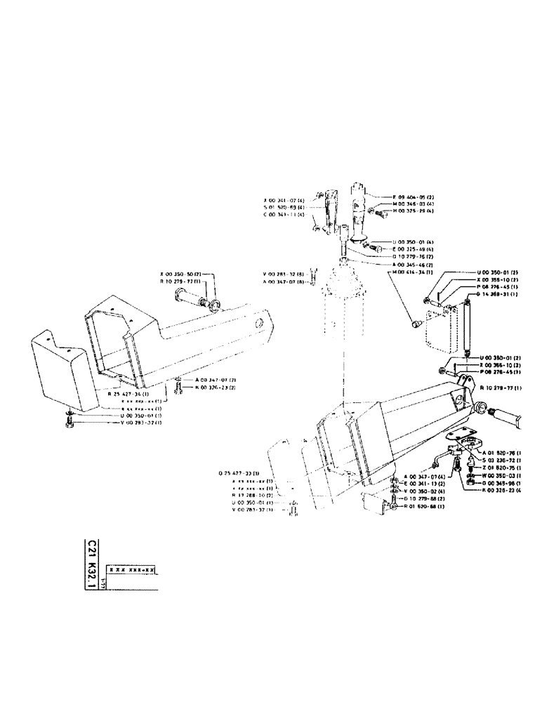
Запчасти Case 75P (047) - ATTACHMENT AND SWING MOTION CONTROL (05) - UPPERSTRUCTURE CHASSIS

Схема запчастей Case 75P - (047) - ATTACHMENT AND SWING MOTION CONTROL (05) - UPPERSTRUCTURE CHASSIS
FIT
1:1
100%

Артикул

Название

Примечание

Количество

P35050

WASHER

2шт.

P1027977

PIN

1шт.

P34707

WASHER

2шт.

P32623

SCREW

M6 x 25 x 25

2шт.

P2542734

CASE

1шт.

P35001

WASHER

1шт.

86508568

BOLT,Hex, M6 x 1 x 16mm, Cl 8.8

1шт.

P34107

SPARE PART

4шт.

P152069

HANDLE

4шт.

15896221

NUT,Hex, M6, 5.20mm High, Cl 10

4шт.

86508568

BOLT,Hex, M6 x 1 x 16mm, Cl 8.8

8шт.

P34707

WASHER

8шт.

P2542733

CASE

1шт.

P1728810

SELF LUB RING

20/26 x 16

2шт.

P35001

WASHER

1шт.

86508568

BOLT,Hex, M6 x 1 x 16mm, Cl 8.8

1шт.

P940405

LIGHT FAIRING

CAP

2шт.

P34603

WASHER

4шт.

P32529

SCREW,Hex Soc Hd, M4 x 16

M4 x 16

4шт.

P35001

WASHER

4шт.

P32549

SCREW

M6 x 16

4шт.

P1027976

PIN

2шт.

P34546

NUT

2шт.

P41434

STOP

1шт.

P34707

WASHER

4шт.

P34113

NUT

2шт.

P35002

WASHER

4шт.

P1027968

CLEVIS

FORK

2шт.

P152068

HANDLE

1шт.

P35001

WASHER

2шт.

P35510

SPLIT PIN

2 x 20

2шт.

P827645

PIN

1шт.

P1436931

CYLINDER ASSY.

RUNNER

1шт.

P35001

WASHER

2шт.

P35510

SPLIT PIN

2 x 20

2шт.

P827645

PIN

1шт.

P1027977

PIN

1шт.

P152076

LOCK

1шт.

P323672

HOOD

PLATE

1шт.

P152075

CONE

1шт.

P35003

WASHER

1шт.

P34598

SAFETY NUT

1шт.

P32623

SCREW

x 25 x 25

4шт.

Выбрано товаров: 43