Запчасти Case TY45 (HJ33 A01.0) - CYLINDER - 52 X 95 C330 (07) - HYDRAULIC SYSTEM

Схема запчастей Case TY45 - (HJ33 A01.0) - CYLINDER - 52 X 95 C330 (07) - HYDRAULIC SYSTEM
j00458-01
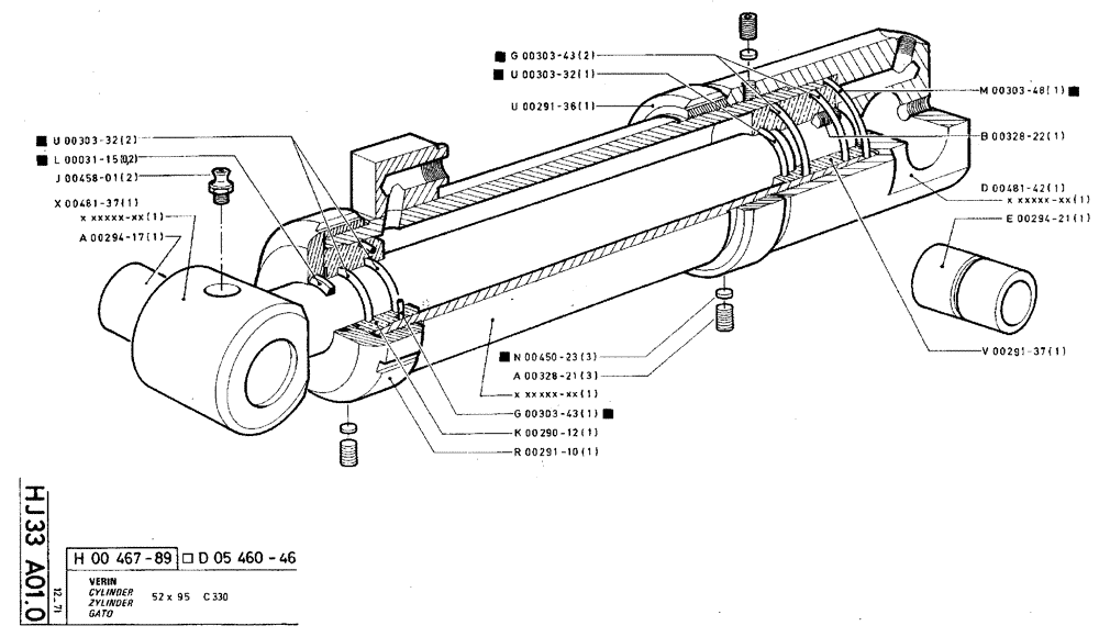
d05460-46
g00303-43
u00303-32
b00328-22
u00303-32
a00328-21
g00303-43
u00291-36
k00290-12
v00291-37
e00294-21
l00031-15
a00294-17
m00303-48
d00481-42
r00291-10
n00450-23
h00467-89
x00481-37
FIT
1:1
100%

Артикул

Название

Примечание

Количество

h00467-89

H46789

CYLINDER ASSY.

1шт.

d05460-46

D546046

SET

1шт.

Repair Kit

1шт.

u00303-32

U30332

O-RING

2шт.

Included in Repair Kit

1шт.

l00031-15

L3115

FELT

1шт.

Included in Repair Kit

1шт.

j00458-01

J45801

LUBE NIPPLE,M8 x 1.25

2шт.

x00481-37

X48137

PISTON ROD

1шт.

a00294-17

A29417

SHAFT

1шт.

g00303-43

G30343

O-RING

2шт.

Included in Repair Kit

1шт.

u00303-32

U30332

O-RING

1шт.

Included in Repair Kit

1шт.

u00291-36

U29136

NUT

1шт.

n00450-23

N45023

HOLE PLUG BUTTON

3шт.

Included in Repair Kit

1шт.

a00328-21

A32821

SCREW

3шт.

g00303-43

G30343

O-RING

1шт.

Included in Repair Kit

1шт.

k00290-12

K29012

BRONZE BUSHING

BRONZE BUSH

1шт.

r00291-10

R29110

COVER

1шт.

m00303-48

M30348

O-RING

1шт.

Included in Repair Kit

1шт.

b00328-22

B32822

SCREW

1шт.

d00481-42

D48142

BOTTOM

1шт.

e00294-21

E29421

BUSHING, LARGE

SPARE PART

1шт.

v00291-37

V29137

PISTON

1шт.

Выбрано товаров: 28