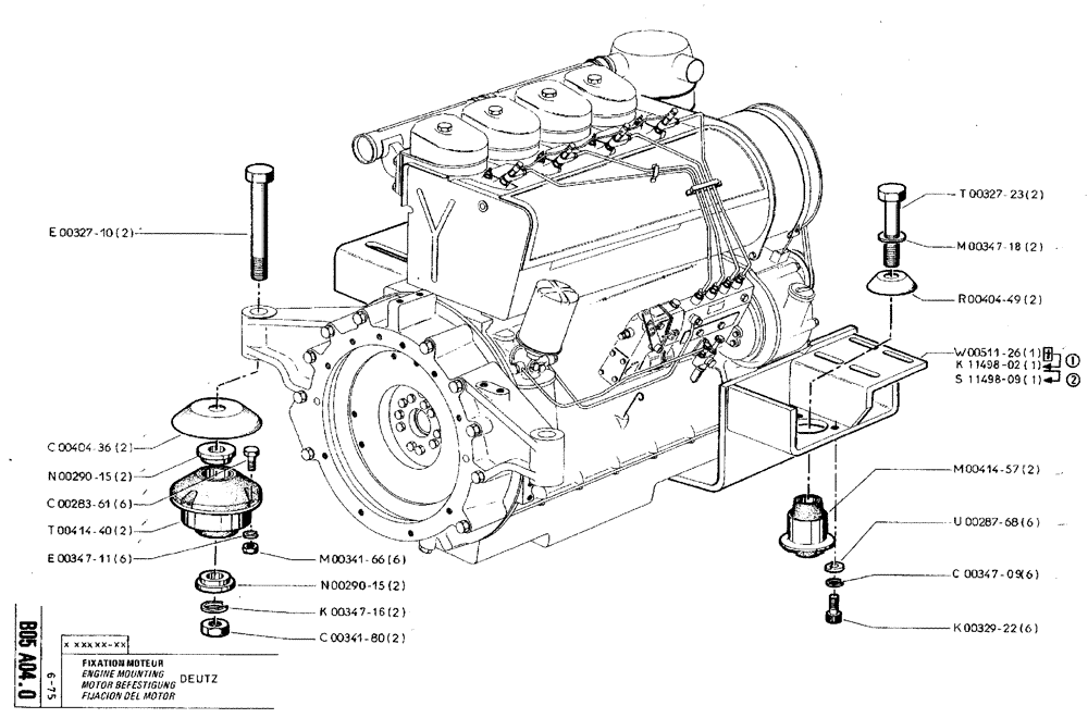
Запчасти Case TY45 (B05 A04.0) - ENGINE MOUNTING - DEUTZ (01) - ENGINE

Схема запчастей Case TY45 - (B05 A04.0) - ENGINE MOUNTING - DEUTZ (01) - ENGINE
s11498-09
n00290-15
c00341-80
r00404-49
n00290-15
m00414-57
t00327-23
k00347-16
k11498-02
u00287-68
c00283-61
m00341-66
t00414-40
m00347-18
w00511-26
e00327-10
k00329-22
c00404-36
e00347-11
c00347-09
FIT
1:1
100%

Артикул

Название

Примечание

Количество

e00327-10

E32710

SCREW

2шт.

c00404-36

C40436

DEFLECTOR

2шт.

n00290-15

N29015

BUSHING, LARGE

SPARE PART

2шт.

c00283-61

43140

BOLT,Hex, M10 x 1.5 x 30mm, Cl 8.8

6шт.

t00414-40

NLS

NO LONGER SERVICED

2шт.

e00347-11

E34711

WASHER

6шт.

m00341-66

100016

NUT,M10 x 1.5, Cl 8

6шт.

n00290-15

N29015

BUSHING, LARGE

SPARE PART

2шт.

k00347-16

NLS

NO LONGER SERVICED

2шт.

c00341-80

C34180

NUT

2шт.

t00327-23

T32723

SCREW

SPARE PART

2шт.

m00347-18

M34718

WASHER

2шт.

r00404-49

R40449

DEFLECTOR

SPARE PART

2шт.

w00511-26

W51126

CROSSBAR

1шт.

No Longer Sold

1шт.

k11498-02

K1149802

CROSSBAR

1шт.

Replaces W00511-26

1шт.

s11498-09

S1149809

CROSSBAR

1шт.

Replaces K11498-02

1шт.

m00414-57

M41457

CUSHION

2шт.

u00287-68

U28768

BUSHING, LARGE

BUSHING,LARGE

6шт.

c00347-09

C34709

WASHER

6шт.

k00329-22

Q732909

BOLT,Hex, M8 x 25, 8.8

6шт.

Выбрано товаров: 23