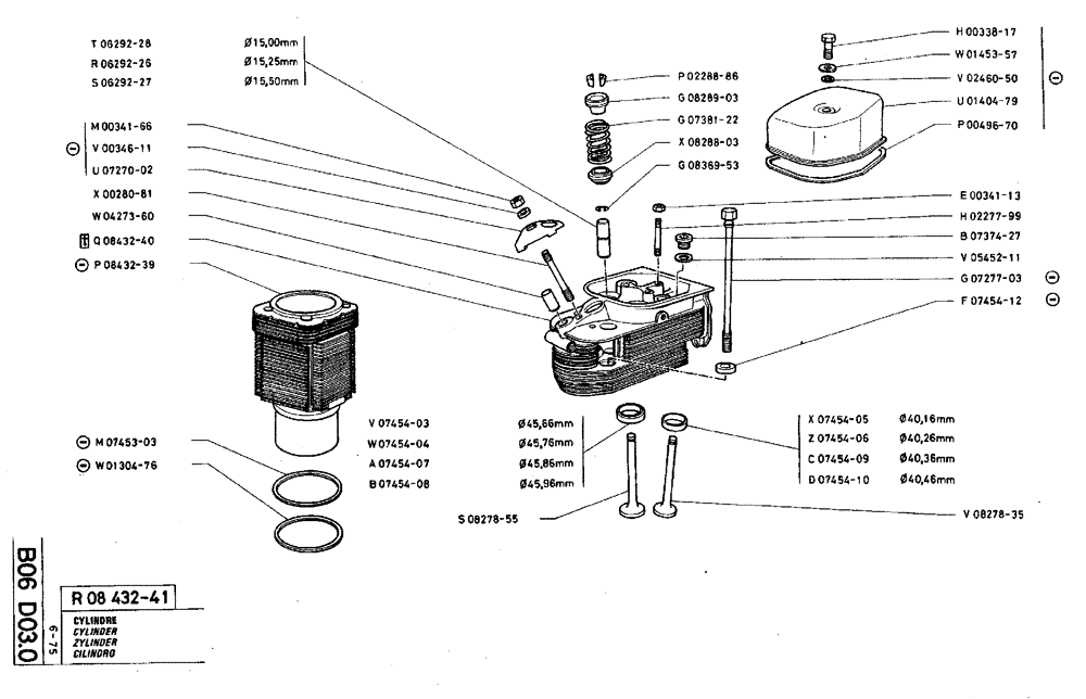
Запчасти Case TY45 (B06 D03.0) - CYLINDER (01) - ENGINE

Схема запчастей Case TY45 - (B06 D03.0) - CYLINDER (01) - ENGINE
m07453-03
f07454-12
x08288-03
u07270-02
v05452-11
p00496-70
x00280-81
r06292-26
d07454-10
p08432-39
p02288-86
w07454-04
s06292-27
v08278-35
c07454-09
v02460-50
b07374-27
w04273-60
u01404-79
h02277-99
r08432-41
e00341-13
s08278-55
g07381-22
x07454-05
g08289-03
t06292-28
m00341-66
b07454-08
g08369-53
h00338-17
w01453-57
g07277-03
v07454-03
w01304-76
z07454-06
q08432-40
v00346-11
a07454-07
FIT
1:1
100%

Артикул

Название

Примечание

Количество

r08432-41

R843241

HEAD

1шт.

t06292-28

T629228

GUIDE

Ø 15,00 mm

1шт.

r06292-26

R629226

GUIDE

Ø 15,25 mm

1шт.

s06292-27

S629227

GUIDE

Ø 15,50 mm

1шт.

m00341-66

100016

NUT,M10 x 1.5, Cl 8

1шт.

Part Not Sold Under the Assembly Number

1шт.

v00346-11

V34611

WASHER

1шт.

Part Not Sold Under the Assembly Number

1шт.

u07270-02

U727002

CAP

1шт.

Part Not Sold Under the Assembly Number

1шт.

x00280-81

X28081

STUD

1шт.

w04273-60

W427360

LUG

1шт.

q08432-40

Q843240

HEAD (CYLINDER)

1шт.

No Longer Sold

1шт.

p08432-39

P843239

SLEEVE

1шт.

Part Not Sold Under the Assembly Number

1шт.

m07453-03

M745303

WASHER

1шт.

Part Not Sold Under the Assembly Number

1шт.

w01304-76

W130476

O-RING

1шт.

Part Not Sold Under the Assembly Number

1шт.

v07454-03

V745403

SEAT

Ø 45,66 mm

1шт.

w07454-04

W745404

SEAT

Ø 45,76 mm

1шт.

a07454-07

A745407

SEAT

Ø 45,86 mm

1шт.

b07454-08

B745408

SEAT

Ø 45,96 mm

1шт.

s08278-55

S827855

SHAFT LOCK

1шт.

p02288-86

P228886

RETAINER

1шт.

g08289-03

G828903

CUPEL

1шт.

g07381-22

G738122

COMPRESSION SPRING

1шт.

x08288-03

X828803

CUP

1шт.

g08369-53

G836953

SPECIAL MAT. SEAL

1шт.

h00338-17

H33817

SCREW

1шт.

Part Not Sold Under the Assembly Number

1шт.

w01453-57

W145357

WASHER

1шт.

Part Not Sold Under the Assembly Number

1шт.

v02460-50

V246050

GASKET

1шт.

Part Not Sold Under the Assembly Number

1шт.

u01404-79

U140479

COVER

1шт.

Part Not Sold Under the Assembly Number

1шт.

p00496-70

P49670

GASKET

1шт.

Part Not Sold Under the Assembly Number

1шт.

e00341-13

43362

NUT,M8 x 1.25, Cl 10

1шт.

h02277-99

H227799

STUD

1шт.

b07374-27

B737427

PLUG

1шт.

v05452-11

V545211

COPPER SEAL

1шт.

g07277-03

G727703

SCREW

1шт.

Part Not Sold Under the Assembly Number

1шт.

f07454-12

F745412

RING

1шт.

Part Not Sold Under the Assembly Number

1шт.

x07454-05

X745405

SEAT, VALVE

Ø 40,16 mm

1шт.

z07454-06

Z745406

SEAT

Ø 40,26 mm

1шт.

c07454-09

C745409

SEAT

Ø 40,36 mm

1шт.

d07454-10

D745410

SEAT

Ø 40,46 mm

1шт.

v08278-35

V827835

VALVE

1шт.

Выбрано товаров: 53