Запчасти Case TY45 (B06 H02.0) - LUBE OIL PUMP, OIL FILTER, OIL COOLER (01) - ENGINE

Схема запчастей Case TY45 - (B06 H02.0) - LUBE OIL PUMP, OIL FILTER, OIL COOLER (01) - ENGINE
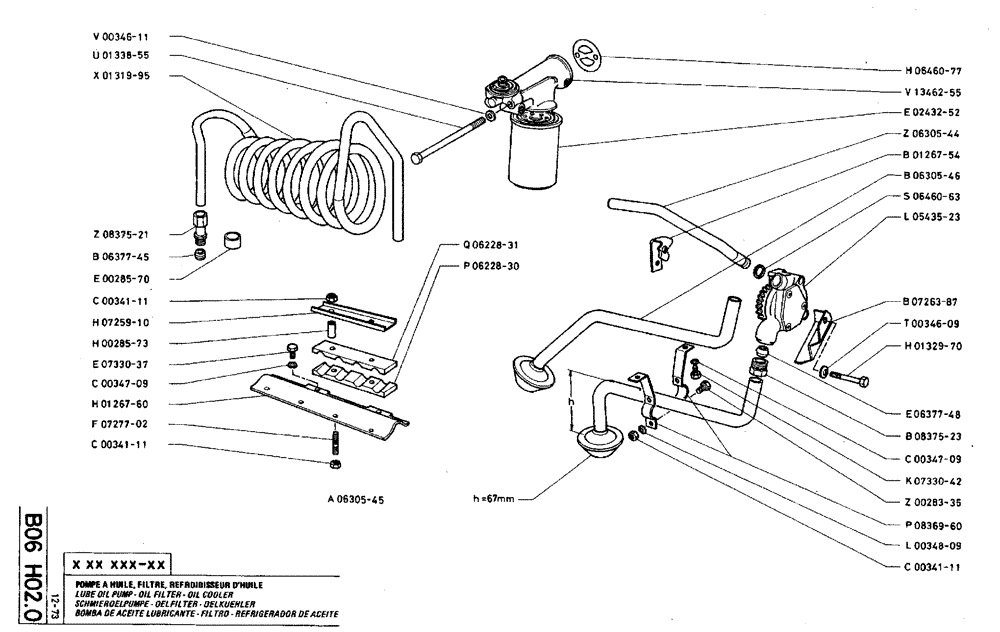
c00341-11
l00348-09
c00341-11
b07263-87
p06228-30
e00285-70
h07259-10
v13462-55
h00285-72
u01338-55
k07330-42
b06377-45
e02432-52
c00347-09
v00346-11
z06305-44
c00341-11
b06305-46
z08375-21
t00346-09
a06305-45
q06228-31
c00347-09
l05435-23
e06377-48
x01319-95
z00283-35
b01267-54
s06460-63
h01329-70
p08369-60
b08375-23
e07330-37
h06460-77
h01267-60
f07277-02
FIT
1:1
100%

Артикул

Название

Примечание

Количество

v00346-11

V34611

WASHER

1шт.

u01338-55

U133855

SCREW

1шт.

x01319-95

X131995

HOSE

1шт.

z08375-21

Z837521

FITTING

1шт.

b06377-45

B637745

OIL SEAL

1шт.

e00285-70

E28570

BUSHING, LARGE

BUSHING,LARGE

1шт.

c00341-11

15896221

NUT,Hex, M6, 5.20mm High, Cl 10

1шт.

h07259-10

H735910

NUT

1шт.

h00285-73

H28573

SPACER

1шт.

e07330-37

E733037

SCREW

1шт.

c00347-09

C34709

WASHER

1шт.

h01267-60

H126760

HOOD

1шт.

f07277-02

F727702

STUD

1шт.

c00341-11

15896221

NUT,Hex, M6, 5.20mm High, Cl 10

1шт.

q06228-31

Q622831

LARGE PLATE

PLATE, LARGE

1шт.

p06228-30

P622830

LARGE PLATE

PLATE, LARGE

1шт.

a06305-45

A630545

PIPE

H = 67 mm

1шт.

h06460-77

H646077

GASKET

1шт.

v13462-55

V1346255

VALVE POPPET

1шт.

e02432-52

E243252

CARTRIDGE

1шт.

z06305-44

Z630544

PIPE

1шт.

b01267-54

B126754

LARGE PLATE

PLATE, LARGE

1шт.

b06305-46

B630546

PIPE

1шт.

s06460-63

S646063

GASKET

1шт.

l05435-23

L543523

PUMP

1шт.

b07263-87

B726387

HOOD

1шт.

t00346-09

T34609

WASHER

1шт.

h01329-70

H132970

BOLT,Hex, M8 x 60

1шт.

e06377-48

E637748

OIL SEAL

1шт.

b08375-23

B837523

FITTING

1шт.

c00347-09

C34709

WASHER

1шт.

k07330-42

K733042

SCREW

1шт.

z00283-35

86508568

BOLT,Hex, M6 x 1 x 16mm, Cl 8.8

1шт.

p08369-60

P836960

CLAMP

1шт.

l00348-09

L34809

WASHER

1шт.

c00341-11

15896221

NUT,Hex, M6, 5.20mm High, Cl 10

1шт.

Выбрано товаров: 36