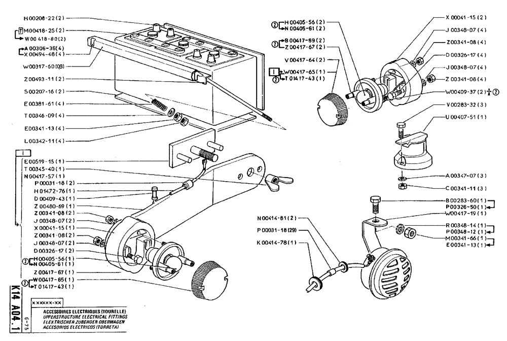
Запчасти Case TY45 (K14 A04.1) - UPPERSTRUCTURE ELECTRICAL FITTINGS (06) - ELECTRICAL SYSTEMS

Схема запчастей Case TY45 - (K14 A04.1) - UPPERSTRUCTURE ELECTRICAL FITTINGS (06) - ELECTRICAL SYSTEMS
h01472-76
p00326-50
z00341-08
d00326-17
p00348-12
v00417-64
u00407-51
w00418-80
e00341-13
z00480-69
n00414-81
x00041-15
z00341-08
n00405-61
d00409-43
h00208-22
t00346-09
x00041-15
t01417-43
t01417-43
d00326-17
t00345-40
n00405-61
b00417-69
w00409-37
m00341-66
w00417-19
j00348-07
w00417-65
j00348-07
z00417-67
s00207-16
h00405-56
p00031-18
e00519-15
x00494-48
v00283-32
b00283-60
j00348-07
c00341-11
a00306-36
n00417-57
e00381-61
e00341-13
w00317-60
m00418-25
z00417-67
j00348-07
k00414-78
l00342-11
r00348-14
z00341-08
h00405-56
z00493-11
w00417-65
z00341-08
p00031-18
a00347-07
FIT
1:1
100%

Артикул

Название

Примечание

Количество

h00208-22

H20822

BLOCK

2шт.

m00418-25

M41825

BATTERY

2шт.

No Longer Sold

1шт.

w00418-80

W41880

WET BATTERY

2шт.

Replaces M00418-25

1шт.

a00306-36

A30636

TRUSS ROD

4шт.

Replaces X00494-48

1шт.

x00494-48

X49448

TRUSS ROD

4шт.

w00317-60

W31760

LOOM

1шт.

z00493-11

Z49311

SHIN

2шт.

s00207-16

S20716

BLOCK

2шт.

e00381-61

E38161

COMPRESSION SPRING

4шт.

t00346-09

T34609

WASHER

4шт.

e00341-13

43362

NUT,M8 x 1.25, Cl 10

4шт.

l00342-11

L34211

NUT,M8

4шт.

e00519-15

E51915

1шт.

Part Valid Only for Italy

1шт.

t00345-40

T34540

1шт.

Part Valid Only for Italy

1шт.

n00417-57

N41757

ARM

1шт.

Part Valid Only for Italy

1шт.

p00031-18

P3118

FELT

2шт.

Part Valid Only for Italy

1шт.

h01472-76

H147276

1шт.

Part Valid Only for Italy

1шт.

d00409-43

D40943

CONNECTION,ELECTRIC

1шт.

Part Valid Only for Italy

1шт.

z00480-69

Z48069

1шт.

Part Valid Only for Italy

1шт.

z00341-08

Z34108

NUT

2шт.

Part Valid Only for Italy

1шт.

j00348-07

J34807

WASHER

2шт.

Part Valid Only for Italy

1шт.

x00041-15

X4115

SUPPORT

1шт.

Part Valid Only for Italy

1шт.

z00341-08

Z34108

NUT

2шт.

Part Valid Only for Italy

1шт.

j00348-07

J34807

WASHER

2шт.

Part Valid Only for Italy

1шт.

d00326-17

D32617

SCREW

2шт.

Part Valid Only for Italy

1шт.

h00405-56

H40556

BULB

1шт.

Part Valid Only for Italy

1шт.

n00405-61

N40561

LAMP

1шт.

Part Valid Only for Italy

1шт.

Replaces H00405-56

1шт.

z00417-67

Z41767

ELEC SUPPORT PLATE

1шт.

Part Valid Only for Italy

1шт.

w00417-65

W41765

LENS

1шт.

Part Valid Only for Italy

1шт.

t01417-43

T141743

LENS

SPARE PART

1шт.

Part Valid Only for Italy

1шт.

Replaces W00417-65

1шт.

h00405-56

H40556

BULB

2шт.

n00405-61

N40561

LAMP

2шт.

Replaces H00405-56

1шт.

b00417-69

B41769

ELEC SUPPORT PLATE

2шт.

Replaces Z00417-67

1шт.

z00417-67

Z41767

ELEC SUPPORT PLATE

2шт.

v00417-64

V41764

LENS

2шт.

w00417-65

W41765

LENS

1шт.

Part Valid Only for Italy

1шт.

t01417-43

T141743

LENS

SPARE PART

1шт.

Replaces W00417-65

1шт.

n00414-81

N41481

GROMMET

2шт.

p00031-18

P3118

FELT

29шт.

k00414-78

K41478

GROMMET

1шт.

x00041-15

X4115

SUPPORT

2шт.

j00348-07

J34807

WASHER

4шт.

z00341-08

Z34108

NUT

4шт.

d00326-17

D32617

SCREW

4шт.

j00348-07

J34807

WASHER

4шт.

z00341-08

Z34108

NUT

4шт.

w00409-37

W40937

CLIP,ELECTRICAL

2шт.

Not Existing on New Model

1шт.

v00283-32

120100

BOLT,M6 x 20mm, Cl 8.8

3шт.

u00407-51

U40751

PEDESTAL

1шт.

a00347-07

A34707

WASHER

3шт.

c00341-11

15896221

NUT,Hex, M6, 5.20mm High, Cl 10

3шт.

b00283-60

B28360

SCREW

1шт.

p00326-50

120104

BOLT,Hex, M8 x 1.25 x 20mm, Cl 8.8

1шт.

Replaces B00283-60

1шт.

w00417-19

W41719

BUZZER

1шт.

r00348-14

R34814

WASHER

1шт.

p00348-12

P34812

WASHER

1шт.

Replaces R00348-14

1шт.

m00341-66

100016

NUT,M10 x 1.5, Cl 8

1шт.

e00341-13

43362

NUT,M8 x 1.25, Cl 10

1шт.

Replaces M00341-66

1шт.

Выбрано товаров: 89