Запчасти Case TY45 (K17 J05.0) - REAR LIGHTS - ITALY (06) - ELECTRICAL SYSTEMS

Схема запчастей Case TY45 - (K17 J05.0) - REAR LIGHTS - ITALY (06) - ELECTRICAL SYSTEMS
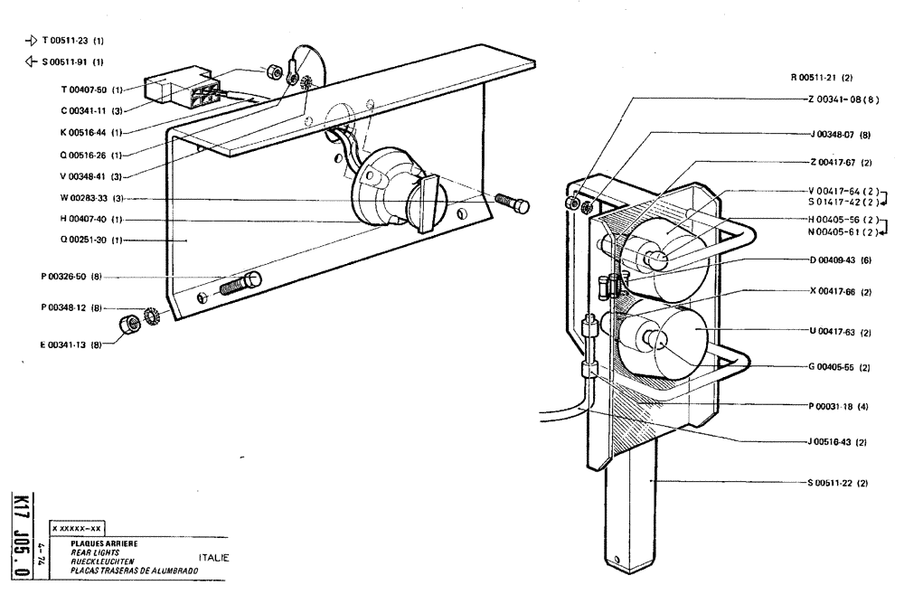
h00407-40
v00348-41
z00341-08
t00407-50
k00516-44
g00405-55
q00251-30
h00405-56
s00511-91
j00516-43
p00326-50
s01417-42
u00417-63
x00417-63
v00417-64
e00341-13
r00511-21
z00417-67
n00405-61
s00511-22
p00348-12
t00511-23
j00348-07
p00031-18
w00283-33
q00516-26
d00409-43
c00341-11
FIT
1:1
100%

Артикул

Название

Примечание

Количество

t00511-23

T51123

PLUG

1шт.

Right Hand

1шт.

s00511-91

S51191

SPARE PART

1шт.

Left Hand

1шт.

t00407-50

T40750

CASE

1шт.

c00341-11

15896221

NUT,Hex, M6, 5.20mm High, Cl 10

3шт.

k00516-44

K51644

HARNESS

1шт.

q00516-26

Q51626

ELECTRICAL WIRE

WIRE

1шт.

v00348-41

V34841

WASHER

3шт.

w00283-33

W28333

SCREW

3шт.

h00407-40

H40740

PEDESTAL

1шт.

q00251-30

Q25130

BRACKET

1шт.

p00326-50

120104

BOLT,Hex, M8 x 1.25 x 20mm, Cl 8.8

8шт.

p00348-12

P34812

WASHER

8шт.

e00341-13

43362

NUT,M8 x 1.25, Cl 10

8шт.

r00511-21

R51121

LARGE PLATE

PLATE, LARGE

2шт.

z00341-08

Z34108

NUT

8шт.

j00348-07

J34807

WASHER

8шт.

z00417-67

Z41767

ELEC SUPPORT PLATE

2шт.

v00417-64

V41764

LENS

2шт.

s01417-42

S141742

LENS

2шт.

Replaces V00417-64

1шт.

h00405-56

H40556

BULB

2шт.

n00405-61

N40561

LAMP

2шт.

Replaces H00405-56

1шт.

d00409-43

D40943

CONNECTION,ELECTRIC

6шт.

x00417-66

X41766

ELEC SUPPORT PLATE

2шт.

u00417-63

U41763

LENS

2шт.

g00405-55

G40555

LAMP

2шт.

p00031-18

P3118

FELT

4шт.

j00516-43

J51643

2шт.

s00511-22

S51122

2шт.

Выбрано товаров: 32