Запчасти Case 440CT (09-59[B]) - HEATER, AIR CONDITIONER (09) - CHASSIS

Схема запчастей Case 440CT - (09-59[B]) - HEATER, AIR CONDITIONER (09) - CHASSIS
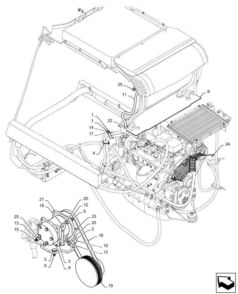
2
20
3
4
11
13
17
22
3
20
6
19
24
25
12
16
20
14
1
18
10
15
9
8
21
7
5
12
23
FIT
1:1
100%

Артикул

Название

Примечание

Количество

*

87649991

AIRCOND. COMPRESSOR,12V, W/ Clutch, W/ Pulley

Shown But Not Called Out

1шт.

*

87649991R

REMAN-A/C COMPRESSOR,12V, W/ Clutch, W/ Pulley

1шт.

*

87649991C

CORE-COMPRESSOR

Return Number

1шт.

1

43127

BOLT,Hex, M8 x 1.25 x 25mm, Cl 8.8

1шт.

2

120068

BOLT,Hex, M10 x 40mm, Cl 8.8

1шт.

3

140045

BELLEVILLE WASHER,M10 Bolt Size x 22mm OD x 1.6mm Thk

4шт.

4

L11541

CABLE TIE,203.2mm L, Nylon

3шт.

5

9515003

BOLT,Hex, M10 x 1.5 x 30mm, Cl 10.9

3шт.

6

9706704

BOLT,Hex, M10 x 1.5 x 41.58mm, Cl 8.8

2шт.

7

H434289

MOUNTING CLIP,7/8”, Insulated, 1/2” Bolt

Clamp

1шт.

8

87743315

INSULATING PANEL

Heat Shield

1шт.

9

9861444

BOLT,Hex, M10 x 1.5 x 20mm, Cl 10.9

1шт.

10

87709877

BRACKET

Tensioner

1шт.

11

87691473

A/C HOSE

AC Drain

1шт.

12

86050279

FLANGE NUT,M10 x 1.5, Cl 10

3шт.

13

86500689

NUT,M10 x 1.5, Cl 10

2шт.

14

86505868

SERRATED NUT,Hex, M8 x 1.25, Cl 8

1шт.

15

86509596

BOLT,Hex, M10 x 160mm, Cl 8.8

1шт.

16

87685981

V-BELT,14.24 mm W x 953.00 mm L, 4 Ribs

1шт.

17

86624184

WASHER,9mm ID x 16mm OD x 1.6mm Thk

1шт.

18

87684742

ROD

Muffler

1шт.

19

87669405

PULLEY

Fan And Compressor

1шт.

20

86639325

WASHER,10.8mm ID x 24.5mm OD x 3mm Thk

5шт.

21

87649994

NOZZLE

AC

1шт.

22

87307909

GROMMET

0.688" ID

2шт.

23

87649979

BOLT,Hex, M8 x 1.25 x 100mm, Cl 8.8

Tensioner

1шт.

24

87594971

GUARD

Fan

1шт.

25

87584302

CLAMP,16mm - 19mm, Spring

18mm

2шт.

Выбрано товаров: 28