Запчасти Case 445CT (02-03A) - EXHAUST SYSTEM, ASPIRATOR (02) - ENGINE

Схема запчастей Case 445CT - (02-03A) - EXHAUST SYSTEM, ASPIRATOR (02) - ENGINE
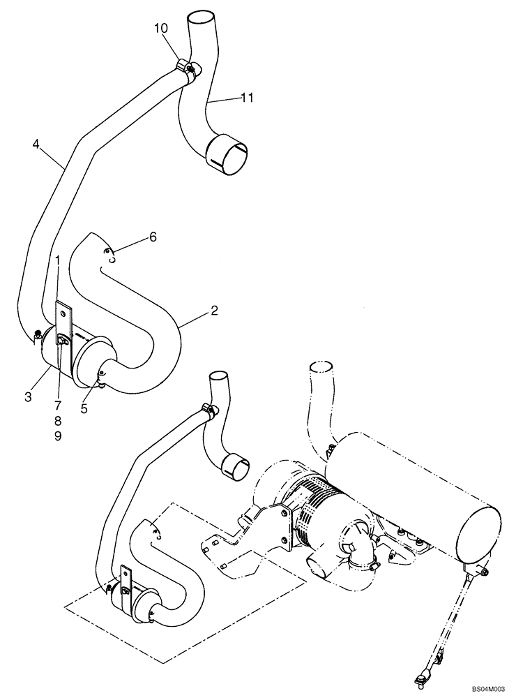
9
11
10
5
1
7
2
6
3
8
4
FIT
1:1
100%

Артикул

Название

Примечание

Количество

87586798

SERVICE KIT

Aspirator Kit, Incl. 1 - 11

1шт.

1

87582469

PLATE

Mounting Plate With Slotted Holes; Replaces 87038233 With Round Holes

1шт.

2

87039284

INTAKE AIR HOSE,38.00 mm ID, 50.00 mm ID x 274.00, SAE 20R4 D1

Check Valve to Air Cleaner

1шт.

3

406089A2

VALVE

Aspirator Check

1шт.

4

87039285

INTAKE AIR HOSE,25.40 mm ID, 38.00 mm ID x 526.00, SAE J200- CA 710

Check Valve to Air Cleaner

1шт.

5

84674

HOSE CLAMP,33.3mm - 57.1mm, Worm Gear

2шт.

6

86624194

HOSE CLAMP,1.81” - 2.75”, Worm Gear

1шт.

7

43127

BOLT,Hex, M8 x 1.25 x 25mm, Cl 8.8

1шт.

8

86625263

WASHER,9mm ID x 20mm OD x 1.6mm Thk

1-2шт.

9

86629542

NUT,M8 x 1.25, Cl 8.8

1шт.

10

514920

HOSE CLAMP,20.6mm - 38.1mm, Worm Gear

1шт.

11

87050493

EXHAUST SYSTEM PIPE,50.80, 64.30 mm OD

Exhaust Tube

1шт.

Выбрано товаров: 12