Запчасти Case 445CT (08-11) - HYDRAULIC - ATTACHMENT CONTROLS (08) - HYDRAULICS

Схема запчастей Case 445CT - (08-11) - HYDRAULIC - ATTACHMENT CONTROLS (08) - HYDRAULICS
11
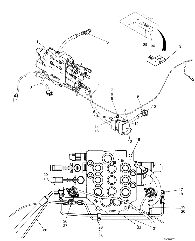
19
5
17
25
9
16
26
28
1
4
3
31
14
18
19
7
29
24
15
2
6
12
8
20
10
22
23
20
27
13
30
21
FIT
1:1
100%

Артикул

Название

Примечание

Количество

87558931

SERVICE KIT

Kit, EH Proportional Auxiliary Mechanical Control; Incl 1 - 30

1шт.

87618999

SERVICE KIT

Kit, EH Proportional Auxiliary Pilot Control; Incl 1 - 30

1шт.

1

87599795

HOSE

Hose, Charge To Valve, 375mm (14 3/4 in.)

1шт.

2

87438766

TEE

Check Valve Assembly, Tee; If Used

1шт.

2

179189A1

VALVE POPPET

Check Valve

1шт.

3

87668739

HARNESS

Harness, Auxiliary Hydraulic

1шт.

4

87427370

HOSE ASSY.

Hose, Return, 610mm (24 in.)

1шт.

5

120104

BOLT,Hex, M8 x 1.25 x 20mm, Cl 8.8

2шт.

6

86625263

WASHER,9mm ID x 20mm OD x 1.6mm Thk

2шт.

7

87016617

LOCK WASHER,M8

2шт.

8

86625032

HOSE CLAMP,88.9mm ID - 65mm ID

1шт.

9

574342

CAP,9/16" - 18 JIC

1шт.

10

L104616

TEE,9/16" - 18 JIC x 9/16" - 18 JIC x 9/16" - 18 ORB

Incl. 11

1шт.

11

9617873

O-RING,0.078" Thk x 0.468" ID, -906, Cl 6, 90 Duro

1шт.

12

87376969

ACCUMULATOR

1шт.

13

87672246

BRACKET

Accumulator Mounting Bracket

1шт.

14

139398

HYD CONNECTOR,9/16" - 18 ORB x 7/16" - 20 JIC

Incl 15

1шт.

15

9617873

O-RING,0.078" Thk x 0.468" ID, -906, Cl 6, 90 Duro

1шт.

16

87583286

VALVE

Control Valve, Manual Control With EH Attachment; See Fig 08-16

1шт.

16

87546975

HYDRAULIC VALVE

Control Valve, Pilot Control; See Fig 08-18

1шт.

17

216773

90 ELBOW,90 Degree, 7/16"-20, 37 Degree x 7/16"-20, O-Ring

Incl 18

1шт.

18

165202

O-RING,0.072" Thk x 0.351" ID, -904, Cl 6, 90 Duro

1шт.

19

86513019

TEE,1-5/16" - 12 ORB x 1-1/4" JIC x 1-1/4" JIC

Incl 20

2шт.

20

165202

O-RING,0.072" Thk x 0.351" ID, -904, Cl 6, 90 Duro

1шт.

21

87515526

HYD TUBE,4.57 mm ID x 6.35 mm OD x 274.5, 37.5 mm L

Pilot Pressure

1шт.

22

87515525

HYD TUBE,4.57 mm ID x 6.35 mm OD x 375, 75 mm L

Drain Tube

1шт.

23

87030561

NUT,M6 x 1, Cl 8

1шт.

24

120100

BOLT,M6 x 20mm, Cl 8.8

1шт.

25

608089

CLAMP

1шт.

26

87443051

ELBOW

Incl 27

1шт.

27

165202

O-RING,0.072" Thk x 0.351" ID, -904, Cl 6, 90 Duro

1шт.

28

87439064

HYD TUBE,6.35 mm OD

Pilot Pressure

1шт.

29

87657080

VALVE

PWM Driver

1шт.

30

100012

NUT,M4 x 0.7, Cl 8

If Used

1шт.

30

REF

INSTRUCTION

Double Sided Tape, 25.4mm (1 in.) X 150mm (6 in.) Length; If Used

1шт.

31

87729517

SEALING STRIP

Foam, Aux And Throttle

1шт.

Выбрано товаров: 36