Запчасти Case 445CT (02-31) - OIL PUMP PIPING (87380450) (02) - ENGINE

Схема запчастей Case 445CT - (02-31) - OIL PUMP PIPING (87380450) (02) - ENGINE
3
6
5
2
4
1
FIT
1:1
100%

Артикул

Название

Примечание

Количество

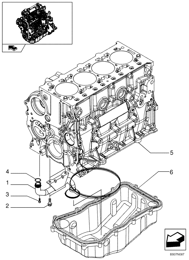
1

504179050

FILTER STRAINER

Filter, Strainer

1шт.

2

16586225

BOLT,M8 x 16mm

2шт.

3

16689024

SCREW,M16 x 12mm

1шт.

4

2852978

O-RING,0.103" Thk x 0.924" ID, -119, Cl 7, 75 Duro

D. 23,4 mm SP=2,6 mm

1шт.

5

REF

INSTRUCTION

See Figure 02-11, Cylinder Block And Related Parts

1шт.

6

REF

INSTRUCTION

See Figure 02-12, Oill Sump And Related Parts

1шт.

Выбрано товаров: 6