Запчасти Case 445CT (04-24A) - REAR LIGHTS AND MOUNTING (EUROPE) (04) - ELECTRICAL SYSTEMS

Схема запчастей Case 445CT - (04-24A) - REAR LIGHTS AND MOUNTING (EUROPE) (04) - ELECTRICAL SYSTEMS
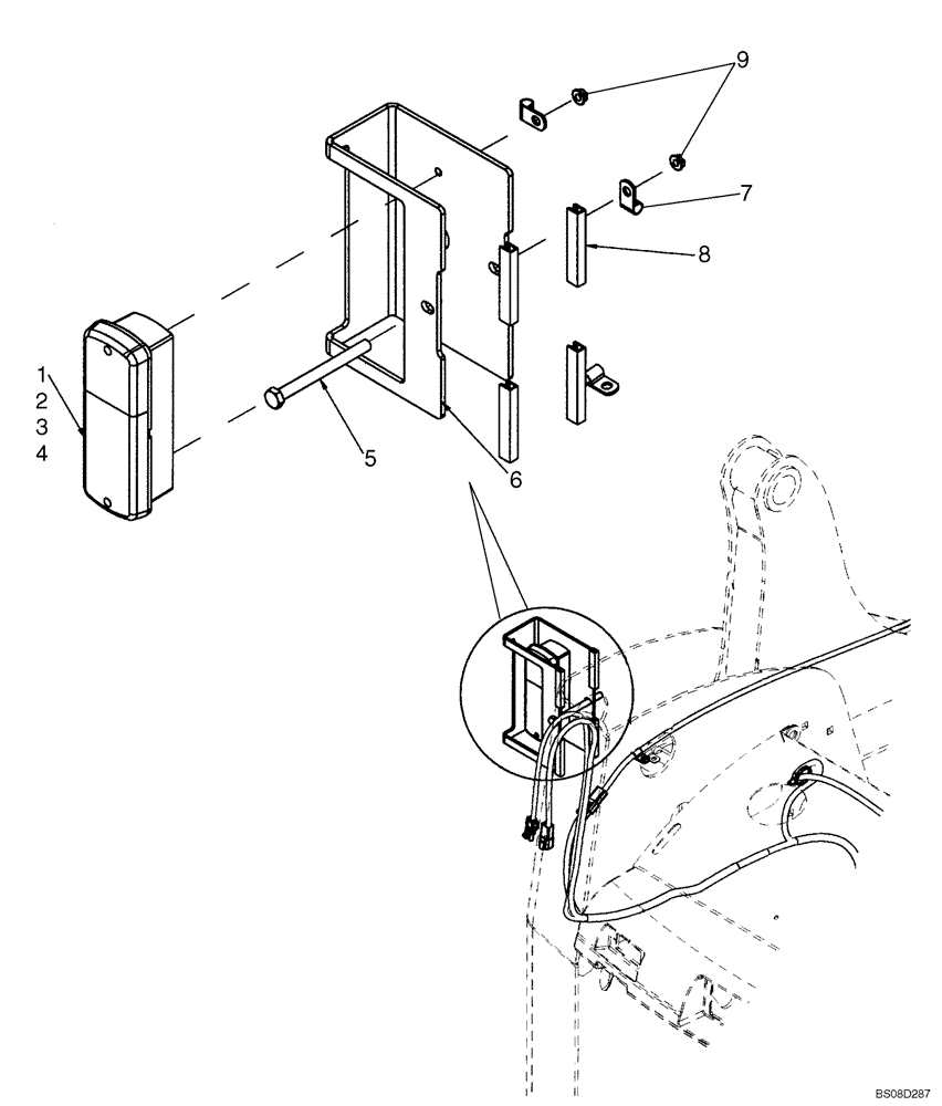
6
1
8
3
2
7
5
9
4
FIT
1:1
100%

Артикул

Название

Примечание

Количество

1

177239A2

LAMP, TAIL

LIGHT, TAIL Rear Light, Combination; Incl 2 - 4

1шт.

2

187140A1

LENS

Lens, Rear

1шт.

3

3131227R1

BULB,P25-1, 12V, 21W

1шт.

4

3131234R1

BULB,P25-2, 12V, 5W

1шт.

5

86508573

BOLT,Hex, M10 x 110mm, Cl 8.8

1шт.

6

367573A1

SUPPORT

Light Bracket

1-2шт.

7

86637978

CLAMP,9.5mm, Coat, 8.7mm Bolt Hole, P Type

3шт.

8

D55218

SEAL, GLASS,76mm L

Edge Trim

4-8шт.

9

86511444

FLANGE NUT,Hex, M6 x 1

2-4шт.

Выбрано товаров: 9