Запчасти Case 450CT (09-25) - REAR LATCH AND PIVOT (09) - CHASSIS

Схема запчастей Case 450CT - (09-25) - REAR LATCH AND PIVOT (09) - CHASSIS
6
8
11
13
28
4
1
26
16
24
22
15
19
9
5
25
27
30
14
11
13
26
12
13
18
17
10
bc02b166
26
26
7
21
27
3
18
20
28
23
12
16
18
29
2
11
FIT
1:1
100%

Артикул

Название

Примечание

Количество

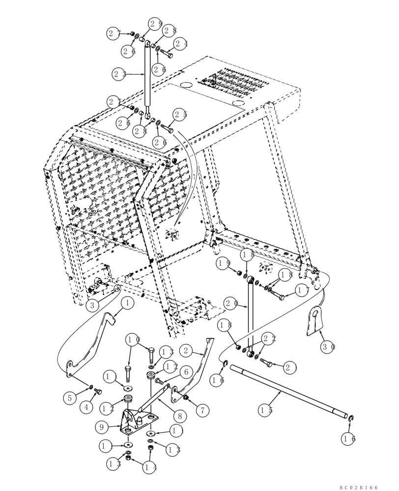
1

87597590

LEVER

Left Hand; Replaces 328601A1

1шт.

2

87597591

LEVER

Right Hand; Replaces 328603A1

1шт.

3

257384A1

SPACER

2шт.

4

120104

BOLT,Hex, M8 x 1.25 x 20mm, Cl 8.8

2шт.

5

495-21038

WASHER,5/16"

2шт.

6

121-227

STEP BOLT,Hex Skt, 3/8" - 16 - 1/2" x 1/2"

2шт.

6

87695417

HEX SOC SCREW,3/8" - 16 - 1/2" x 1/2" Shoulder

Screw, 3/8-16 1/2 X 1/2 Hex-Soc Hd Shdr PL

2шт.

7

247780

SERRATED NUT,Flg, USR, 3/8"-16

2шт.

8

195366A2

PIN

2шт.

9

282300A3

SUPPORT

Right Hand

1шт.

9a

282301A3

SUPPORT

Left Hand; Not Illustrated

1шт.

10

827-12070

BOLT,Hex, M12 x 1.75 x 70mm, Cl 10.9

4шт.

11

240669A1

WASHER

6шт.

12

H426395

MOUNTING PARTS

4шт.

13

195-81030

WASHER

.531 x 1.5 x .1

6шт.

14

832-41412

NUT,M12 x 1.75, Cl 10

4шт.

15

144345A3

PIVOT PIN,25.4mm OD x 825mm L

1шт.

16

827695C1

CIRCLIP

1 in

2шт.

17

43144

BOLT,Hex, M10 x 70mm, Cl 8.8

1шт.

18

895-15010

WASHER,11mm ID x 24mm OD x 2mm Thk

4шт.

19

86512554

NUT,M10 x 1.5, Cl 10

4шт.

20

222490A2

GAS STRUT

235 strk

1шт.

21

120070

BOLT,Hex, M10 x 1.5 x 60mm, Cl 8.8

1шт.

22

895-15010

WASHER,11mm ID x 24mm OD x 2mm Thk

4шт.

23

247992A2

GAS STRUT,610mm Extended, 380mm Compressed

1шт.

24

43144

BOLT,Hex, M10 x 70mm, Cl 8.8

1шт.

25

120070

BOLT,Hex, M10 x 1.5 x 60mm, Cl 8.8

1шт.

26

895-11010

WASHER,11mm ID x 20mm OD x 2mm Thk

10шт.

27

86512554

NUT,M10 x 1.5, Cl 10

2шт.

28

254697A1

SPACER

3шт.

29

254698A1

SPACER

1шт.

30

295076A1

SEAL

Models with Heater

2шт.

Выбрано товаров: 32