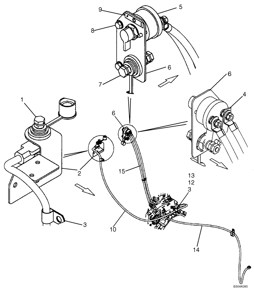
Запчасти Case 450CT (04-05) - DISCONNECT SWITCH - REMOTE JUMP START (04) - ELECTRICAL SYSTEMS

Схема запчастей Case 450CT - (04-05) - DISCONNECT SWITCH - REMOTE JUMP START (04) - ELECTRICAL SYSTEMS
3
12
5
4
3
8
13
10
15
9
6
4
14
7
2
6
1
FIT
1:1
100%

Артикул

Название

Примечание

Количество

1

399383A1

TERMINAL CONNECTOR,3/8"-16 UNC

Positive; Remote Jump Start

1шт.

2

87446346

BRACKET

1шт.

3

86598598

CLAMP,19mm, Insulated, 13.5mm Bolt Hole - P Type

2шт.

4

399665A2

ANCHOR

1шт.

5

87409316

SWITCH

Master Disconnect

1шт.

6

87438793

BRACKET

1шт.

7

399384A1

TERMINAL CONNECTOR

Negative; Remote Jump Start

1шт.

8

281-54810

SELF-TAP SCREW,Hex Wash Hd, 5/16"-18 x 5/8"

2шт.

9

176332A1

DECAL

See Figure 09-44

1шт.

10

87418257

ELECTRIC CABLE

2200 mm (86.6 in); Positive; Connects To Starter Positive Terminal

1шт.

11

529070

CABLE TIE,368.3mm L

CABLE STRAP

1шт.

12

43151

BOLT,Hex, M12 x 20mm, Cl 8.8, Full Thd

1шт.

13

86625255

WASHER,13.3mm ID x 24.5mm OD x 3mm Thk

1шт.

14

87418292

CABLE

2900 mm (114 in); Connect To Negative Battery Post

1шт.

15

87443652

CABLE

1400 mm (55 in); Negative; Connect To Engine Block

1шт.

Выбрано товаров: 15