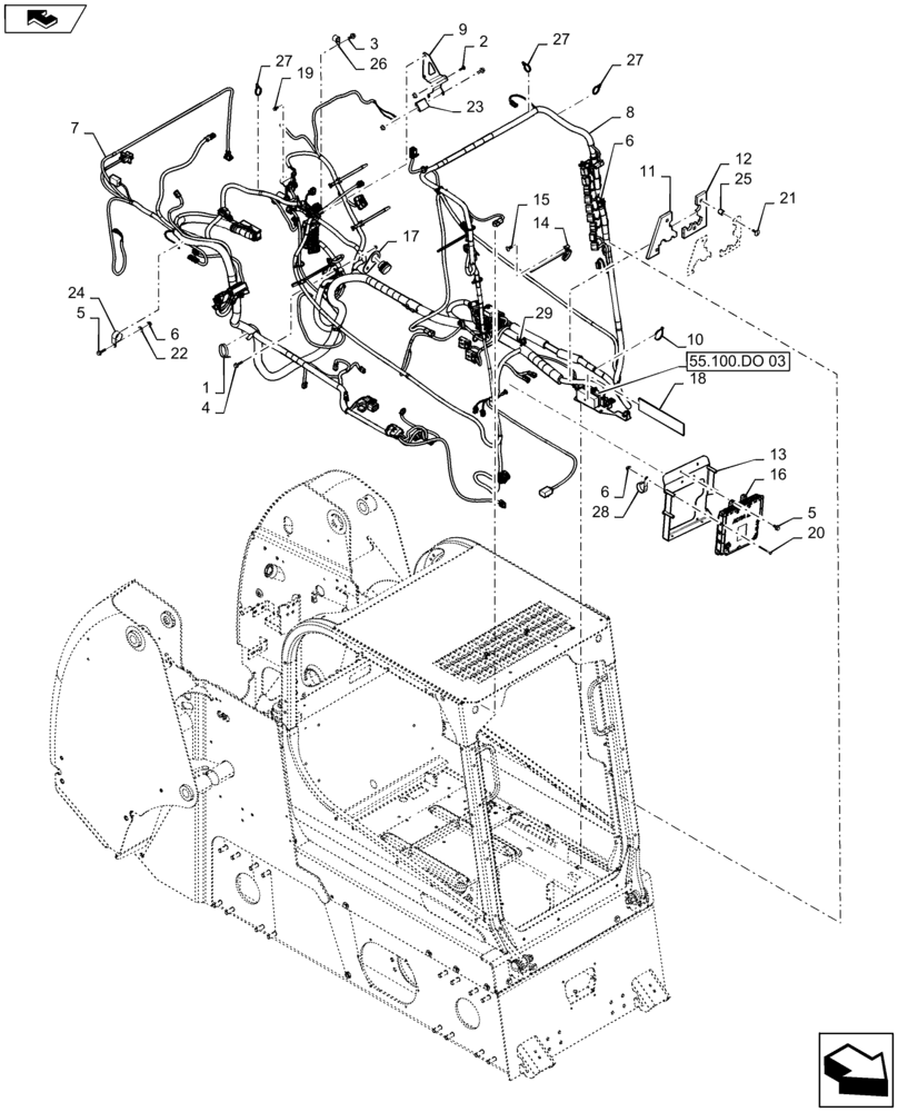
Запчасти Case TR270 (55.101.AC[05]) - MAIN ELECTRICAL, E-H CONTROLS, ENCLOSED CAB, MEDIUM FRAME, NRC (55) - ELECTRICAL SYSTEMS

Схема запчастей Case TR270 - (55.101.AC[05]) - MAIN ELECTRICAL, E-H CONTROLS, ENCLOSED CAB, MEDIUM FRAME, NRC (55) - ELECTRICAL SYSTEMS
55.100.do 03
5
home
18
6
12
9
6
27
8
20
13
2
25
22
5
1
28
14
11
26
27
23
27
4
24
17
29
10
7
21
16
3
19
6
15
FIT
1:1
100%

Артикул

Название

Примечание

Количество

1

263117

CABLE TIE,292.1mm L, Nylon, Black

2шт.

2

9706703

CARRIAGE BOLT,Sht Sq Nk, M6 x 1 x 20mm, Cl 8.8, Full Thd

2шт.

3

9804255

BOLT,Hex, M6 x 1 x 16mm, Full Thd, Cl 8.8

4шт.

4

9804256

BOLT,Hex, M6 x 1 x 20mm, Full Thd, Cl 8.8

1шт.

5

9804257

FLANGE BOLT,Hex, M6 x 1.0 x 25mm, Cl 8.8, Full Thd

5шт.

6

9804276

FLANGE NUT,Hex, M6 x 1, Cl 8

12шт.

7

47377776

WIRE HARNESS

Chassis, E-H Controls, Years: -09-SEP-13

1шт.

7

47523499

WIRE HARNESS

Chassis, E-H Controls, Start Year: 10-SEP-13

1шт.

8

47377762

WIRE HARNESS

Cab, E-H Controls

1шт.

9

47510427

ANGLE

Fuse/Relay Mounting

1шт.

10

87668737

CABLE TIE,203.2mm L, Nylon, Black

Fir Tree Assy

1шт.

11

84309937

SEAL

Assy, LH, Outer

1шт.

12

84309938

SEAL

Assy, LH, Inner

1шт.

13

84332287

BRACKET

ECM

1шт.

14

84420746

CABLE TIE,403.9mm L, Nylon

Tie

10шт.

15

84420768

FASTENER,Pine Tree, 5/8" x 20.01mm

10шт.

16

84529539

ECU

Chassis ECM

1шт.

16

84529539R

REMAN ELECT CONTROL

Reman For New P/N 84529539

1шт.

16

84529539C

CORE-ELECTRONIC CONT

Return Number

1шт.

17

84541427

BRACKET

Engine Harness Interface

1шт.

18

84553024

DECAL

Fuse Box Layout, Years: -13-JUL-15

1шт.

18

47864567

DECAL

Fuse Box Layout, Start Year: 14-JUL-15

1шт.

19

86511841

BOLT,Flng, M8 x 1.25 x 16mm, Full Thd, Cl 8.8

4шт.

20

86512442

CARRIAGE BOLT,Sht Sq Nk, M6 x 80mm, Cl 8.8

4шт.

21

86620930

FASTENER,Push-In, 1.10" L, Nylon

4шт.

22

86624182

WASHER,6.6mm ID x 18mm OD x 1.6mm Thk

1шт.

23

86637977

CLAMP,25.4mm, Coat, 8.7mm Bolt Hole, P Type

2шт.

24

86639002

CLAMP,34.9mm, Coat, 11.9mm Bolt Hole, P Type

1шт.

25

87035448

SPACER,8.48mm ID x 12.7mm OD x 12.7mm L

4шт.

26

87037780

CLAMP,15.8mm, Coat, 8.7mm Bolt Hole, J Type

1шт.

27

87313351

CLIP,25.4mm, Coat, 8.7mm Bolt Hole, J Type

1шт.

28

87313355

CLAMP,38.1mm, Coat, 8.7mm Bolt Hole, J Type

2шт.

29

L71879

DIODE ELEMENT,400V, 3A

3 AMP, Bullet Connector

2шт.

Выбрано товаров: 33