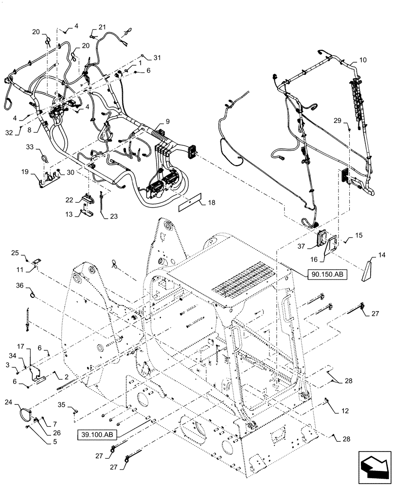
Запчасти Case TR310 (55.101.AC[02]) - WIRE HARNESS & CONNECTOR, MECHANICAL CONTROLS, OPEN CAB (13-NOV-2017 & PRIOR) (55) - ELECTRICAL SYSTEMS

Схема запчастей Case TR310 - (55.101.AC[02]) - WIRE HARNESS & CONNECTOR, MECHANICAL CONTROLS, OPEN CAB (13-NOV-2017 & PRIOR) (55) - ELECTRICAL SYSTEMS
39.100.ab
7
17
12
5
36
20
6
10
6
37
24
9
1
25
4
8
4
27
2
34
35
21
28
22
27
33
28
27
18
32
6
20
13
19
23
16
3
11
31
26
14
30
29
4
15
90.150.ab
FIT
1:1
100%

Артикул

Название

Примечание

Количество

1

263117

CABLE TIE,292.1mm L, Nylon, Black

Nylon

29шт.

2

9706703

CARRIAGE BOLT,Sht Sq Nk, M6 x 1 x 20mm, Cl 8.8, Full Thd

2шт.

3

9804255

BOLT,Hex, M6 x 1 x 16mm, Full Thd, Cl 8.8

3шт.

4

9804256

BOLT,Hex, M6 x 1 x 20mm, Full Thd, Cl 8.8

3шт.

5

9804258

BOLT,Hex, M8 x 1.25 x 20mm, Cl 8.8

1шт.

6

9804276

FLANGE NUT,Hex, M6 x 1, Cl 8

6шт.

7

9804277

FLANGE NUT,Hex, M8 x 1.25, Cl 8

1шт.

8

47803837

WIRE HARNESS

Rear Chassis, Open Cab

1шт.

9

47803838

WIRE HARNESS

Chassis Mech, Open Cab

1шт.

10

47803841

WIRE HARNESS

Cab Mech, Open Cab

1шт.

11

47807585

BRACKET

Harness Crossover

1шт.

12

47807590

BRACKET

Crossover, Lower Guide

1шт.

13

47807591

BRACKET

Control Tray

1шт.

14

47825018

FOAM INSULATION,172mm L x 27.9mm Thk

LH Inner

1шт.

15

47825034

SCREW,Pan Head, #10 - 14 x 5/8"

4шт.

16

47825472

PLATE

Bulk Head Adapter, Years: -26-SEP-15

1шт.

16

47867182

Bulk Head Adapter, Start Year: 27-SEP-15

PLATE

1шт.

17

47832750

BRACKET

Fuse Mounting, Gray

1шт.

18

47842042

DECAL

Fusebox Layout, Mechanical

1шт.

19

47846376

BRACKET

Harness Retention

1шт.

20

82012869

CABLE TIE,300mm L, Nylon, Black

Double Loop, Nylon

7шт.

21

82013031

CABLE TIE,193mm L

Nylon

1шт.

22

84131374

MODULE

Prop Aux

1шт.

23

84259663

CABLE TIE,228.6mm L, Nylon, Black

Nylon

4шт.

24

84266050

CABLE TIE,384mm L, Polyamide

Nylon

1шт.

25

84285339

SELF-TAP SCREW,Hex, M8 x 1.25 x 15mm

1шт.

26

84360210

BASE

Tie

1шт.

27

84420746

CABLE TIE,403.9mm L, Nylon

Nylon

10шт.

28

84420768

FASTENER,Pine Tree, 5/8" x 20.01mm

10шт.

29

86511841

BOLT,Flng, M8 x 1.25 x 16mm, Full Thd, Cl 8.8

5шт.

30

86625256

WASHER,13.3mm ID x 28.5mm OD x 4mm Thk

2шт.

31

86639241

NUT,Prev Torque, M5 x 0.8, Cl 8

1шт.

32

86639263

BOLT,Hex, M5, Cl 8

1шт.

33

86991009

CABLE TIE,222mm L, Nylon

Nylon

2шт.

34

87037780

CLAMP,15.8mm, Coat, 8.7mm Bolt Hole, J Type

1шт.

35

87301490

CLAMP,12.7mm, Coat, 10.3mm Bolt Hole, J Type

1шт.

36

87668737

CABLE TIE,203.2mm L, Nylon, Black

FIR Tree Assy

6шт.

37

87718301

WIRE CONNECTOR,Flange

DRB Flange Interface

1шт.

Выбрано товаров: 38