Запчасти Case TR310 (55.408.BE) - COMMON INSTRUMENTS & ELECTRICAL (55) - ELECTRICAL SYSTEMS

Схема запчастей Case TR310 - (55.408.BE) - COMMON INSTRUMENTS & ELECTRICAL (55) - ELECTRICAL SYSTEMS
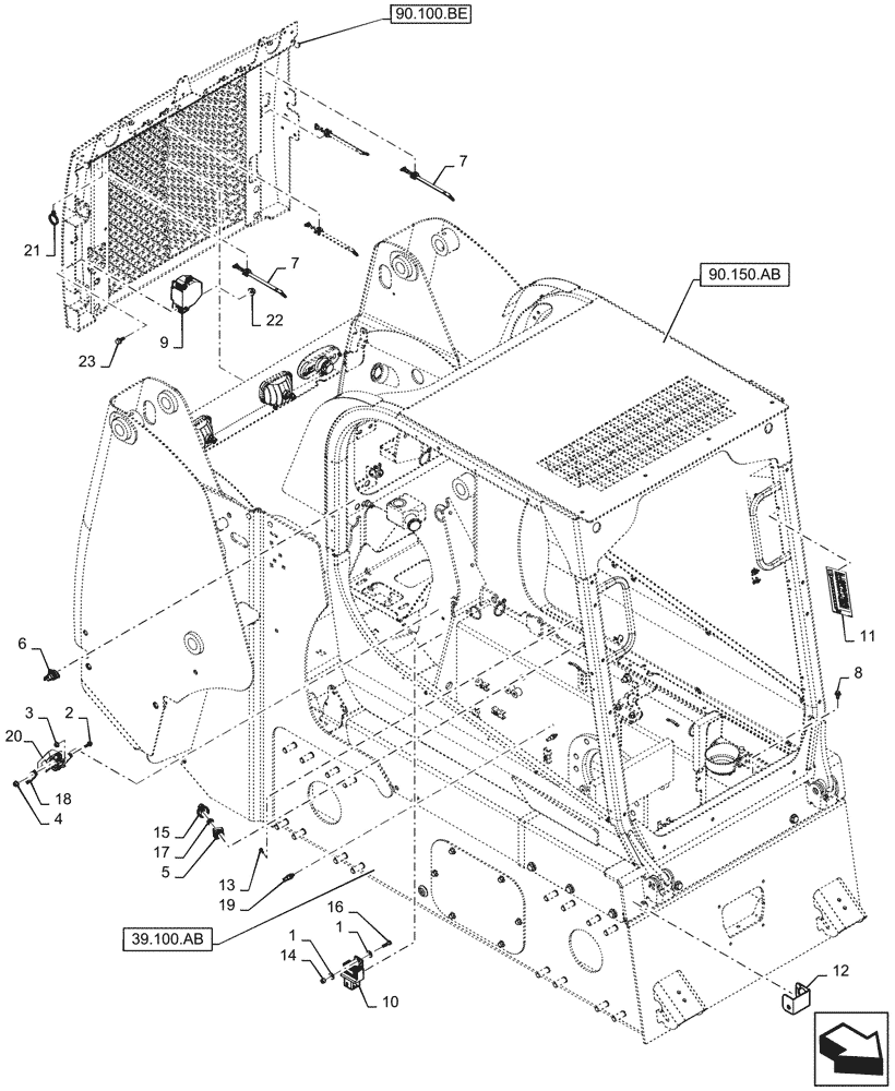
90.150.ab
1
5
21
9
2
19
7
16
18
7
6
10
8
17
12
15
11
4
20
1
23
14
22
3
13
39.100.ab
90.100.be
FIT
1:1
100%

Артикул

Название

Примечание

Количество

1

80707

WASHER,0.25" ID x 0.56" OD x 0.05" Thk

2шт.

2

9804256

BOLT,Hex, M6 x 1 x 20mm, Full Thd, Cl 8.8

2шт.

3

9804276

FLANGE NUT,Hex, M6 x 1, Cl 8

2шт.

4

9804277

FLANGE NUT,Hex, M8 x 1.25, Cl 8

2шт.

5

47376503

ROTARY SWITCH

Lights

1шт.

6

82002966

POWER SOCKET,M18 x 1

Aux Electric

1шт.

7

84259663

CABLE TIE,228.6mm L, Nylon, Black

Polyamide 6.6

4шт.

8

84285339

SELF-TAP SCREW,Hex, M8 x 1.25 x 15mm

2шт.

9

324299A1

ALARM

Backup

1шт.

10

84357520

ECU

Glow Plugs

1шт.

11

84491577

DECAL

LH A-Post Console

1шт.

12

47742435

BRACKET

CAN Mounting

1шт.

13

86511042

SCREW,Pan Head, M4 x 0.7 x 16mm, Cl 4.8

2шт.

14

86639241

NUT,Prev Torque, M5 x 0.8, Cl 8

1шт.

15

86729670

KNOB

Light Switch

1шт.

16

87308282

SCREW,HWH, #10 - 32 x 3/4"

1шт.

17

87310592

JAM NUT,7/16" - 28, Gr 5

1шт.

18

87472238

FUSE,60A, Blade

1шт.

19

87688409

TEMPERATURE SENDER,M10 x 1.0

Water

1шт.

20

440038A1

JUNCTION BLOCK

Fuse

1шт.

21

87668737

CABLE TIE,203.2mm L, Nylon, Black

Nylon

2шт.

22

9804277

FLANGE NUT,Hex, M8 x 1.25, Cl 8

2шт.

23

9804258

BOLT,Hex, M8 x 1.25 x 20mm, Cl 8.8

2шт.

Выбрано товаров: 23