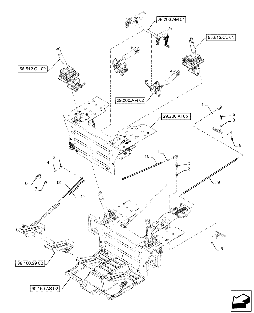
Запчасти Case TR310 (29.200.AI[03]) - FOOT CONTROLS, MOUNTING ASSY (29) - HYDROSTATIC DRIVE

Схема запчастей Case TR310 - (29.200.AI[03]) - FOOT CONTROLS, MOUNTING ASSY (29) - HYDROSTATIC DRIVE
1
29.200.am 01
55.512.cl 01
29.200.ai 05
1
8
5
3
6
10
9
11
8
88.100.29 02
90.160.as 02
29.200.am 02
55.512.cl 02
7
5
2
12
3
4
FIT
1:1
100%

Артикул

Название

Примечание

Количество

1

80855

NUT,Hex, 3/8" - 24

2шт.

2

234726

CLEVIS PIN,6.29mm OD x 20mm L

2шт.

3

694371

SPACER,9.77mm ID x 15.87mm OD x 5.03mm Thk

2шт.

4

D131983

COTTER PIN,1.04mm OD x 21.4mm L, Ring

2шт.

5

230425A1

BALL JOINT,3/8" - 24 x 1-3/5"

Threaded Stud W/ Rod

2шт.

6

86598598

CLAMP,19mm, Insulated, 13.5mm Bolt Hole - P Type

1шт.

7

86512497

FLANGE NUT,M12 x 1.75, Cl 10

1шт.

8

86509310

NUT,3/8" - 24, Gr 5

2шт.

9

84303979

THREADED ROD,3/8" - 24 x 519mm L

Ground Drive

1шт.

10

84303981

THREADED ROD,3/8" - 24 x 230mm L

Ground Drive

1шт.

11

84317960

ROD,M10 x 1.25 x 233.3mm L

Valve Tip

1шт.

12

84317959

ROD,M10 x 1.25 x 278mm L

Valve Lift

1шт.

Выбрано товаров: 12