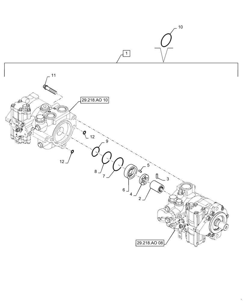
Запчасти Case TR310 (29.218.AO[07]) - HYDROSTATIC PUMP, 46CC, MECHANICAL, CONTROL, FRONT (29) - HYDROSTATIC DRIVE

Схема запчастей Case TR310 - (29.218.AO[07]) - HYDROSTATIC PUMP, 46CC, MECHANICAL, CONTROL, FRONT (29) - HYDROSTATIC DRIVE
12
3
9
2
12
29.218.ao 10
29.218.ao 08
11
6
7
4
5
1
8
10
FIT
1:1
100%

Артикул

Название

Примечание

Количество

1

84322471

HYDROSTATIC PUMP,46 CC

Tandem Hydrostatic, Non - Bushed, Incl 2 - 9, 11 - 12

1шт.

1

84322471R

REMAN-HYD PUMP

Tandem

1шт.

1

84322471C

CORE-HYDRAULIC PUMP

Return Number

1шт.

2

N13234

COUPLING, BREAK AWAY

1шт.

3

N13262

PIN

1шт.

4

N13247

GEAR-SET

Rotor

1шт.

5

181680A1

PIN,3/16" OD x 13/16" L

1шт.

6

N13999

PLATE,3.9985" OD x 1.58" ID

Gerotor, Cover

1шт.

7

H437190

O-RING

1шт.

8

A36405

O-RING,0.139" Thk x 3.484" ID, -238, Cl 6, 90 Duro

1шт.

9

H435776

O-RING,44.04mm ID x 51.10mm OD x 7.06mm W

1шт.

10

140008A1

GASKET KIT

Contains 42 Seals, Services 1

1шт.

11

166-89

12 PT SCREW,1/2" - 13 x 2", Gr 8

2шт.

12

122057

O-RING,0.103" Thk x 0.737" ID, -116, Cl 6, 90 Duro

2шт.

Выбрано товаров: 14