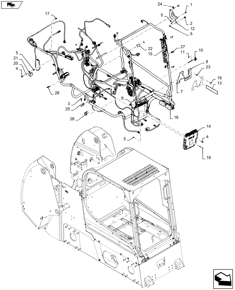
Запчасти Case TR320 (55.101.AC[04]) - WIRE HARNESS & CONNECTOR, ELECTRONIC CONTROLS, OPEN CAB (55) - ELECTRICAL SYSTEMS

Схема запчастей Case TR320 - (55.101.AC[04]) - WIRE HARNESS & CONNECTOR, ELECTRONIC CONTROLS, OPEN CAB (55) - ELECTRICAL SYSTEMS
8
24
28
12
17
5
15
26
21
3
5
4
25
2
20
16
10
home
5
19
5
13
1
23
9
7
18
27
14
22
11
4
FIT
1:1
100%

Артикул

Название

Примечание

Количество

1

9706703

CARRIAGE BOLT,Sht Sq Nk, M6 x 1 x 20mm, Cl 8.8, Full Thd

2шт.

2

9804255

BOLT,Hex, M6 x 1 x 16mm, Full Thd, Cl 8.8

4шт.

3

9804256

BOLT,Hex, M6 x 1 x 20mm, Full Thd, Cl 8.8

1шт.

4

9804257

FLANGE BOLT,Hex, M6 x 1.0 x 25mm, Cl 8.8, Full Thd

5шт.

5

9804276

FLANGE NUT,Hex, M6 x 1, Cl 8

10шт.

6

84251343

SWITCH

Rocker, E-H Drive Pattern, Not Illustrated

1шт.

7

84309937

SEAL

Assembly, LH, Outer

1шт.

8

84309938

SEAL

Assembly, LH, Inner

1шт.

9

84332287

BRACKET

ECM

1шт.

10

84420746

CABLE TIE,403.9mm L, Nylon

10шт.

11

84420768

FASTENER,Pine Tree, 5/8" x 20.01mm

10шт.

12

84493609

BRACKET

Fuse/Relay Mounting

1шт.

13

84495386

DECAL

Fuse Box Layout, E-H Controls

1шт.

14

84529539

ECU

Chassis ECM

1шт.

14

84529539R

REMAN ELECT CONTROL

Reman For New P/N 84529539

1шт.

14

84529539C

CORE-ELECTRONIC CONT

Return Number

1шт.

15

47377797

WIRE HARNESS

Cab, E-H Controls, Incl 29, 30, Years: -31-AUG-13

1шт.

15

47385476

WIRE HARNESS

Cab, E-H Controls, Incl 29, 30, Years: 01-SEP-13-20-MAY-15

1шт.

15

47747233

WIRE HARNESS

Cab, E-H Controls, Incl 29, 30, Start Year: 21-MAY-15

1шт.

16

47357799

WIRE HARNESS

Chassis, E-H Controls, Incl 29, 31 - 42, Years: -31-AUG-13

1шт.

16

47523453

WIRE HARNESS

Chassis, E-H Controls, Incl 29, 31 - 42, Years: 01-SEP-13-24-AUG-14

1шт.

16

47696867

WIRE HARNESS

Chassis, E-H Controls, Incl 29. 31 - 42, Years: 25-AUG-14-20-MAY-14

1шт.

16

47747250

WIRE HARNESS

Chassis, E-H Controls, Incl 29. 31 - 42, Start Year: 21-MAY-15

1шт.

17

86511841

BOLT,Flng, M8 x 1.25 x 16mm, Full Thd, Cl 8.8

4шт.

18

86512442

CARRIAGE BOLT,Sht Sq Nk, M6 x 80mm, Cl 8.8

4шт.

19

86620930

FASTENER,Push-In, 1.10" L, Nylon

4шт.

20

86624182

WASHER,6.6mm ID x 18mm OD x 1.6mm Thk

1шт.

21

86639007

CLAMP,44.4mm, Coat, 13.5mm Bolt Hole, P Type

1шт.

22

87010656

CLAMP,17.5mm, Coat, 10.3mm Bolt Hole, P Type

1шт.

23

87035448

SPACER,8.48mm ID x 12.7mm OD x 12.7mm L

4шт.

24

87037780

CLAMP,15.8mm, Coat, 8.7mm Bolt Hole, J Type

1шт.

25

87313351

CLIP,25.4mm, Coat, 8.7mm Bolt Hole, J Type

1шт.

26

87313355

CLAMP,38.1mm, Coat, 8.7mm Bolt Hole, J Type

2шт.

27

87668737

CABLE TIE,203.2mm L, Nylon, Black

1шт.

28

L11541

CABLE TIE,203.2mm L, Nylon

2шт.

29

L71879

DIODE ELEMENT,400V, 3A

3 Amp, Bullet Connector, Accessory Backfeed, Not Illustrated

2шт.

30

774735

DIODE,6A

Hazard Switch Indicator Backfeed, Not Illustrated

1шт.

31

121849A1

FUSE,Mini, 2 Amp

Not Illustrated

6шт.

32

121850A1

FUSE,3A, Mini, Violet

Not Illustrated

1шт.

33

121851A1

FUSE,4A, Mini, Pink

Not Illustrated

8шт.

34

121410A1

FUSE,5A, Mini, Tan

Not Illustrated

1шт.

35

121411A1

FUSE,7.5A, Mini, Brown

Not Illustrated

4шт.

36

121412A1

FUSE,10A, Mini, Red

Not Illustrated

5шт.

37

121413A1

FUSE,15A, Mini, Blue

Not Illustrated

5шт.

38

121414A1

FUSE,20A, Mini, Yellow

Not Illustrated

3шт.

39

121415A1

FUSE,25A, Mini, Clear

Not Illustrated

3шт.

40

121416A1

FUSE,30A, Mini, Green

Not Illustrated

2шт.

41

87655334

RELAY,12V, 35A, Micro

Not Illustrated

7шт.

42

82013124

RELAY,12V, 30A

ABS/Glow Plugs, Not Illustrated

2шт.

Выбрано товаров: 49