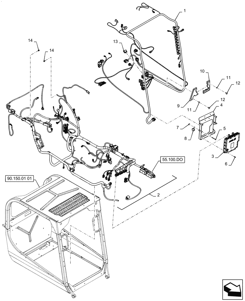
Запчасти Case TR320 (55.101.AC[05]) - WIRE HARNESS & CONNECTOR, ELECTRONIC CONTROLS, W/ EHF (55) - ELECTRICAL SYSTEMS

Схема запчастей Case TR320 - (55.101.AC[05]) - WIRE HARNESS & CONNECTOR, ELECTRONIC CONTROLS, W/ EHF (55) - ELECTRICAL SYSTEMS
90.150.01 01
11
14
7
9
14
55.100.do
4
12
2
12
8
1
3
6
5
11
13
10
FIT
1:1
100%

Артикул

Название

Примечание

Количество

1

47377796

WIRE HARNESS

Cab, EH Controls, Years: -30-APR-13

1шт.

1

47385475

WIRE HARNESS

Cab, EH Controls, Years: 01-MAY-13-20-MAY-15

1шт.

1

47747231

WIRE HARNESS

Cab, EH Controls, Start Year: 21-MAY-15

1шт.

2

47357795

WIRE HARNESS

Chassis, EH Controls, Enhanced High Flow, Years: -30-APR-13

1шт.

2

47377806

WIRE HARNESS

Chassis, EH Controls, Enhanced High Flow, Years: 01-MAY-13-30-NOV-13

1шт.

2

47523456

WIRE HARNESS

Chassis, EH Controls, Enhanced High Flow, Years: 01-DEC-13-24-AUG-14

1шт.

2

47696871

WIRE HARNESS

Chassis, EH Controls, Enhanced High Flow, Years: 25-AUG-14-20-MAY-15

1шт.

2

47747251

WIRE HARNESS

Chassis, EH Controls, Enhanced High Flow, Start Year: 21-MAY-15

1шт.

3

84529539

ECU

UCM SSL

1шт.

3

84529539R

REMAN ELECT CONTROL

Reman For New P/N 84529539

1шт.

3

84529539C

CORE-ELECTRONIC CONT

Return Number

1шт.

4

84332287

BRACKET

ECM Black

1шт.

5

86512442

CARRIAGE BOLT,Sht Sq Nk, M6 x 80mm, Cl 8.8

Carriage 8.8 P M6 X 80

4шт.

6

9804257

FLANGE BOLT,Hex, M6 x 1.0 x 25mm, Cl 8.8, Full Thd

4шт.

7

9804276

FLANGE NUT,Hex, M6 x 1, Cl 8

4шт.

8

87313355

CLAMP,38.1mm, Coat, 8.7mm Bolt Hole, J Type

38.1MM J Insul 5/16 Bolt

2шт.

9

84309937

SEAL

Assy, LH

1шт.

10

84309938

SEAL

Assy, LH

1шт.

11

87035448

SPACER,8.48mm ID x 12.7mm OD x 12.7mm L

4шт.

12

86620930

FASTENER,Push-In, 1.10" L, Nylon

4шт.

13

84251343

SWITCH

Rocker, Drive Pattern

1шт.

14

86511841

BOLT,Flng, M8 x 1.25 x 16mm, Full Thd, Cl 8.8

4шт.

Выбрано товаров: 22