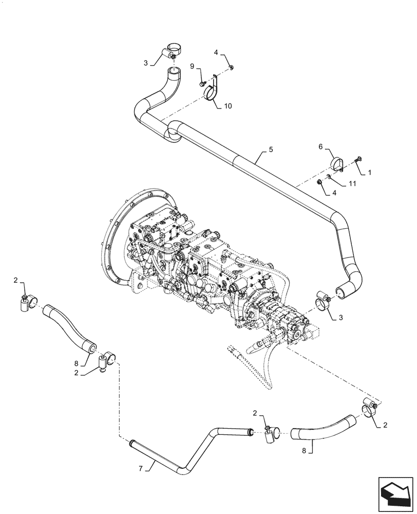
Запчасти Case TR320 (29.204.AB[06]) - EH PUMP EHF, SUPPLY LINES (19-NOV-2015 & PRIOR) (29) - HYDROSTATIC DRIVE

Схема запчастей Case TR320 - (29.204.AB[06]) - EH PUMP EHF, SUPPLY LINES (19-NOV-2015 & PRIOR) (29) - HYDROSTATIC DRIVE
2
7
4
3
8
2
11
4
8
2
5
6
3
10
1
9
2
FIT
1:1
100%

Артикул

Название

Примечание

Количество

1

308761

CARRIAGE BOLT,M8 x 1.25 x 25mm, Cl 8.8

2шт.

2

507586

HOSE CLAMP,20.6mm - 44.4mm, Worm Gear

4шт.

3

513309

HOSE CLAMP,1-1/16” - 2”, Worm Gear

2шт.

4

9804277

FLANGE NUT,Hex, M8 x 1.25, Cl 8

4шт.

5

47672849

HYDRAULIC HOSE,38.1mm ID

Gear Pump Suction

1шт.

6

84265306

CLAMP,47.6mm, Coat, 8.7mm Bolt Hole, P Type

2шт.

7

84374130

HYD TUBE,25.4mm OD

Charge Supply

1шт.

8

84374131

HYDRAULIC HOSE,25.4mm ID x 275mm L, SAE 100R1

Charge Supply

2шт.

9

86511841

BOLT,Flng, M8 x 1.25 x 16mm, Full Thd, Cl 8.8

1шт.

10

87313360

CLIP,50.8mm, Coat, 8.7mm Bolt Hole, J Type

1шт.

11

87655042

SPECIAL WASHER,8.8mm ID x 17.5mm OD x 2.2mm Thk

4шт.

Выбрано товаров: 11