Запчасти Case TR320 (35.359.04) - CONTROL VALVE ASSY, MECHANICAL HAND EH AUX (ALL CASE) (35) - HYDRAULIC SYSTEMS

Схема запчастей Case TR320 - (35.359.04) - CONTROL VALVE ASSY, MECHANICAL HAND EH AUX (ALL CASE) (35) - HYDRAULIC SYSTEMS
1
8
3
11
4
11
1
10
13
7
12
2
17
16
18
14
16
1
10
1
12
12
10
15
9
15
5
home
10
12
6
FIT
1:1
100%

Артикул

Название

Примечание

Количество

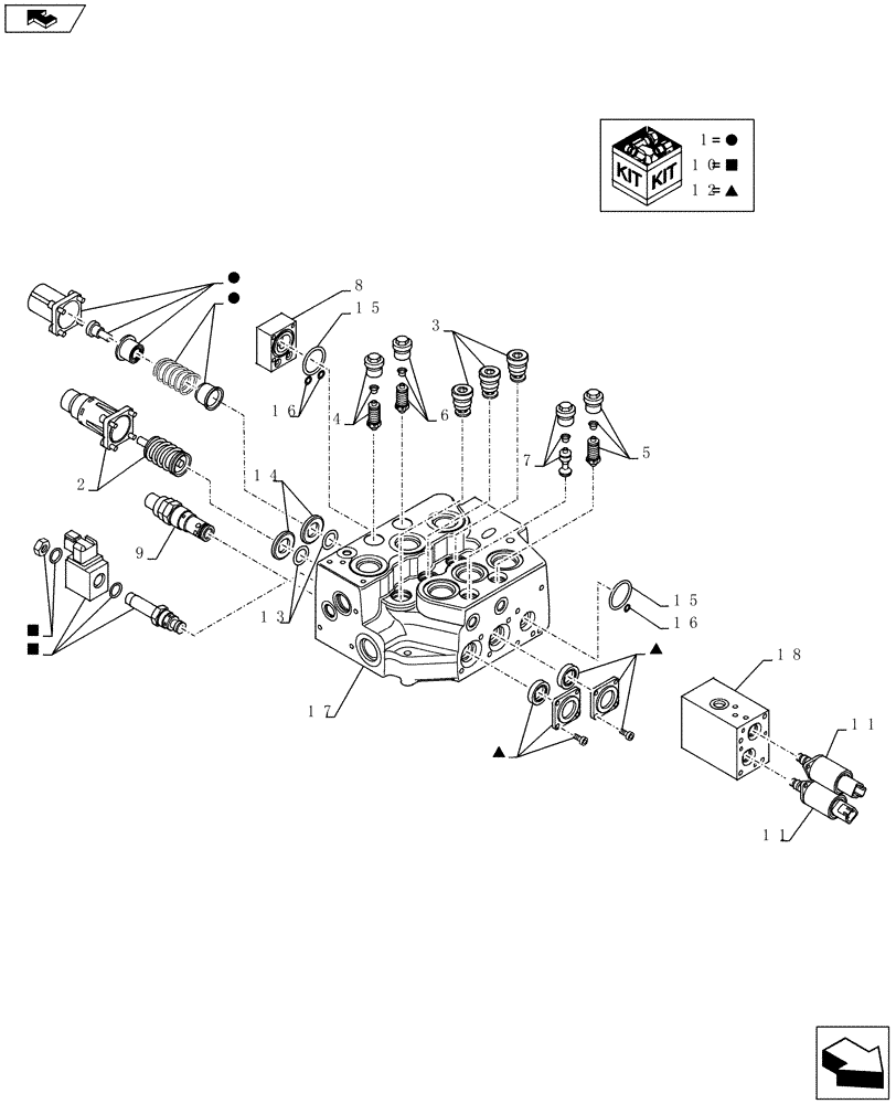
84279514

HYDRAULIC VALVE

Loader Control, Mechanical Hand Controls

1шт.

1

84386277

KIT

Hand Bucket Spring

1шт.

2

84386278

KIT

Hand Boom Spring

1шт.

3

84386281

CHECK VALVE

Load, Incl O-Ring

3шт.

4

84386282

VALVE PRESSURE RELIE

225 BAR Port Relief

1шт.

5

84386283

VALVE PRESSURE RELIE

230 BAR Port Relief

1шт.

6

84386284

VALVE PRESSURE RELIE

240 BAR Port Relief

1шт.

7

84386285

HYDRAULIC VALVE

Anti-Cavitation

1шт.

8

84386286

CAP

EH Aux End

1шт.

9

84386287

VALVE PRESSURE RELIE

207 BAR Port Relief

1шт.

10

84386288

HYDRAULIC VALVE

PLV Cartridge

1шт.

11

84386289

VALVE, PRESSURE CONT

Reducing

2шт.

12

84386290

KIT

Spool Wiper

3шт.

13

84386291

O-RING

Spool

4шт.

14

84386292

BACK-UP RING

Spool

4шт.

15

84386293

O-RING

EH Spool Cap

2шт.

16

84386294

O-RING

EH Passage

3шт.

17

84279514

HYDRAULIC VALVE

Mechanical Hand Control/Electro-Hydraulic Aux, Includes Ref. 1-16, Exclude Kits

1шт.

18

NSS

NOT SOLD SEPARAT

Incl in P/N 84279514

1шт.

19

84598799

VALVE

100 BAR Port Relief

1шт.

Выбрано товаров: 20