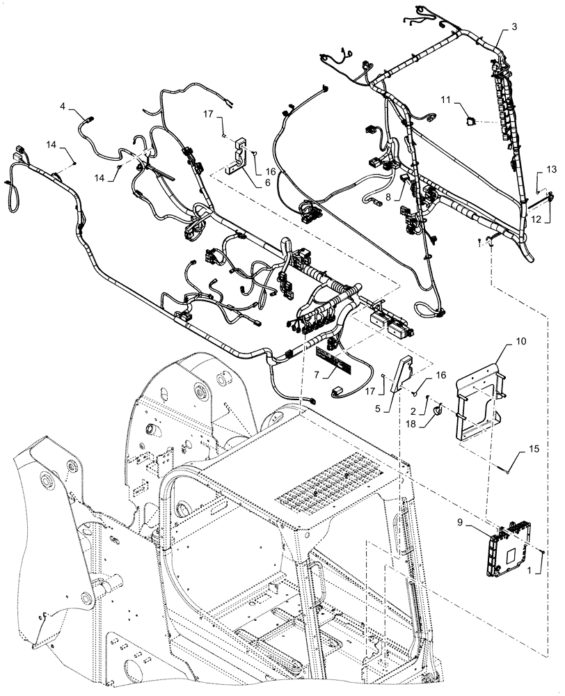
Запчасти Case TV380 (55.101.AC[07]) - ELECTRICAL EH LG (SR220, SV300,TR320,TV380) (55) - ELECTRICAL SYSTEMS

Схема запчастей Case TV380 - (55.101.AC[07]) - ELECTRICAL EH LG (SR220, SV300,TR320,TV380) (55) - ELECTRICAL SYSTEMS
13
3
16
16
15
4
12
11
5
18
7
10
14
14
17
8
1
6
17
2
9
FIT
1:1
100%

Артикул

Название

Примечание

Количество

1

9804257

FLANGE BOLT,Hex, M6 x 1.0 x 25mm, Cl 8.8, Full Thd

4шт.

2

9804276

FLANGE NUT,Hex, M6 x 1, Cl 8

4шт.

3

84423648

WIRE HARNESS

Cab, EH, Years: -14-MAR-12

1шт.

3

84550992

WIRE HARNESS

Cab, EH, Years: 15-MAR-12-14-NOV-12

1шт.

3

47377762

WIRE HARNESS

Cab, EH, Start Year: 15-NOV-12

1шт.

4

84383805

WIRE HARNESS

Chassis, EH, LG, EHF, Years: -28-FEB-12

1шт.

4

84544794

WIRE HARNESS

Chassis, EH, LG, EHF, Years: 29-FEB-12-15-APR-12

1шт.

4

84605447

WIRE HARNESS

Chassis, EH, LG, EHF, Years: 16-APR-12-30-APR-13

1шт.

4

47377781

WIRE HARNESS

Chassis, EH, LG, EHF, Years: 01-MAY-13-09-SEP-13

1шт.

4

47523497

WIRE HARNESS

Chassis, EH, LG, EHF, Start Year: 10-SEP-13

1шт.

5

84309937

SEAL

Assy, LH, Years: -18-FEB-13

1шт.

5

47535366

SEAL

Assy, LH, Start Year: 19-FEB-13

1шт.

6

84309938

SEAL

Assy, LH, Years: -18-FEB-13

1шт.

6

47535368

SEAL

Assy, LH, Start Year: 19-FEB-13

1шт.

7

84380452

DECAL

Fuse Box Layout, EH, Years: -09-SEP-13

1шт.

7

47544620

DECAL

Fuse Box Layout, EH, Start Year: 10-SEP-13

1шт.

8

84251343

SWITCH

Rocker, Drive Pattern

1шт.

9

84267444

ECU

UCM SSL

1шт.

10

84332287

BRACKET

ECM

1шт.

11

84392527

SWITCH

Rocker, Aux Electric

1шт.

12

84420746

CABLE TIE,403.9mm L, Nylon

Tie

10шт.

13

84420768

FASTENER,Pine Tree, 5/8" x 20.01mm

10шт.

14

86511841

BOLT,Flng, M8 x 1.25 x 16mm, Full Thd, Cl 8.8

4шт.

15

86512442

CARRIAGE BOLT,Sht Sq Nk, M6 x 80mm, Cl 8.8

4шт.

16

86620930

FASTENER,Push-In, 1.10" L, Nylon

4шт.

17

87035448

SPACER,8.48mm ID x 12.7mm OD x 12.7mm L

4шт.

18

87313355

CLAMP,38.1mm, Coat, 8.7mm Bolt Hole, J Type

2шт.

Выбрано товаров: 27