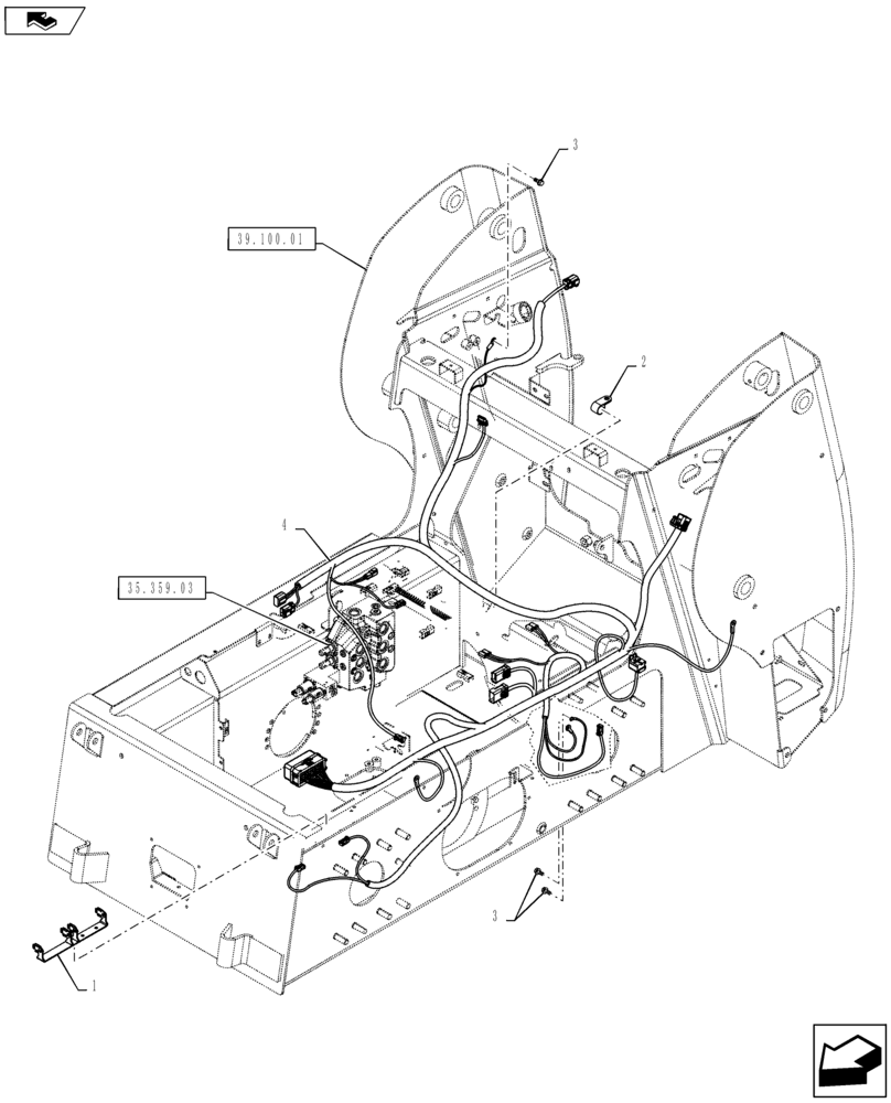
Запчасти Case TV380 (55.100.01) - CHASSIS OPTIONS HARNESS, MECH LG (ALL CASE) (55) - ELECTRICAL SYSTEMS

Схема запчастей Case TV380 - (55.100.01) - CHASSIS OPTIONS HARNESS, MECH LG (ALL CASE) (55) - ELECTRICAL SYSTEMS
2
1
35.359.03
4
home
3
3
39.100.01
FIT
1:1
100%

Артикул

Название

Примечание

Количество

1

84422170

BRACKET, SUPPORTING

Double Fuse Box

1шт.

2

86598598

CLAMP,19mm, Insulated, 13.5mm Bolt Hole - P Type

2шт.

3

86511841

BOLT,Flng, M8 x 1.25 x 16mm, Full Thd, Cl 8.8

3шт.

4

84605456

WIRE HARNESS

Chassis Options

1шт.

5

263117

CABLE TIE,292.1mm L, Nylon, Black

(Not Shown)

8шт.

Выбрано товаров: 5