Запчасти Case TV380 (55.101.AC[03]) - WIRE HARNESS & CONNECTOR, ELECTRONIC CONTROLS (55) - ELECTRICAL SYSTEMS

Схема запчастей Case TV380 - (55.101.AC[03]) - WIRE HARNESS & CONNECTOR, ELECTRONIC CONTROLS (55) - ELECTRICAL SYSTEMS
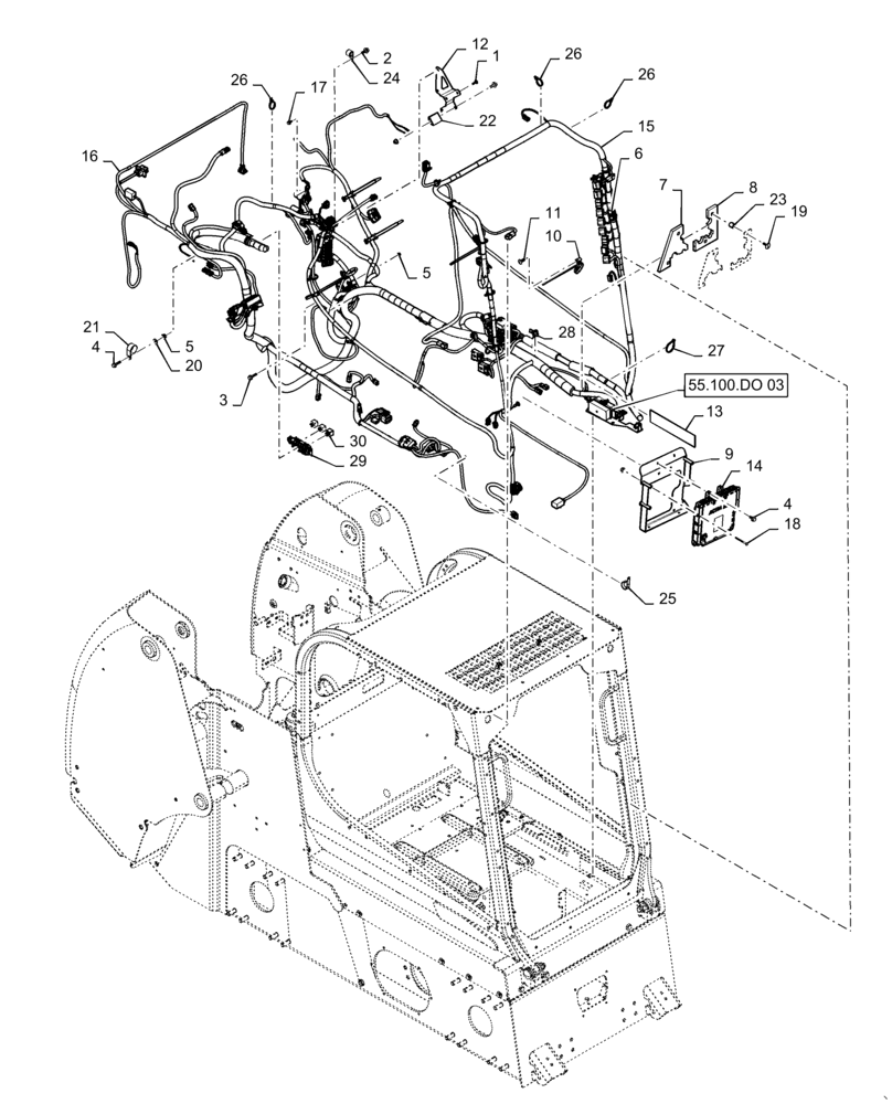
12
26
10
4
4
5
22
9
24
30
5
26
17
1
14
8
20
11
19
13
3
25
6
18
55.100.do 03
27
29
2
16
7
15
26
23
28
21
FIT
1:1
100%

Артикул

Название

Примечание

Количество

1

9706703

CARRIAGE BOLT,Sht Sq Nk, M6 x 1 x 20mm, Cl 8.8, Full Thd

2шт.

2

9804255

BOLT,Hex, M6 x 1 x 16mm, Full Thd, Cl 8.8

4шт.

3

9804256

BOLT,Hex, M6 x 1 x 20mm, Full Thd, Cl 8.8

1шт.

4

9804257

FLANGE BOLT,Hex, M6 x 1.0 x 25mm, Cl 8.8, Full Thd

5шт.

5

9804276

FLANGE NUT,Hex, M6 x 1, Cl 8

10шт.

6

774735

DIODE,6A

Hazard Switch Indicator Backfeed

1шт.

7

84309937

SEAL

Assembly, LH, Outer

1шт.

8

84309938

SEAL

Assembly, LH, Inner

1шт.

9

84332287

BRACKET

ECM

1шт.

10

263117

CABLE TIE,292.1mm L, Nylon, Black

10шт.

11

84420768

FASTENER,Pine Tree, 5/8" x 20.01mm

10шт.

12

84493609

BRACKET

Fuse/Relay Mounting

1шт.

13

84495386

DECAL

Fuse Box Layout, E-H Controls

1шт.

14

84529539

ECU

Chassis ECM

1шт.

14

84529539R

REMAN ELECT CONTROL

Reman For New P/N 84529539

1шт.

14

84529539C

CORE-ELECTRONIC CONT

Return Number

1шт.

15

47377796

WIRE HARNESS

Cab, E-H Controls, Enclosed Cab, Incl 28, Years: -25-NOV-12

1шт.

15

47385475

WIRE HARNESS

Cab, E-H Controls, Enclosed Cab, Incl 28, Years: 26-NOV-12-20-MAY-15

1шт.

15

47747231

WIRE HARNESS

Cab, E-H Controls, Enclosed Cab, Incl 28, Start Year: 21-MAY-15

1шт.

16

47357799

WIRE HARNESS

Chassis, E-H Controls, Two Fuses Boxes, Incl 28, Years: -25-NOV-12

1шт.

16

47377805

WIRE HARNESS

Chassis, E-H Controls, Two Fuses Boxes, Incl 28, Years: 26-NOV-12-31-AUG-13

1шт.

16

47523453

WIRE HARNESS

Chassis, E-H Controls, Two Fuses Boxes, Incl 28, Years: 01-SEP-13-24-AUG-14

1шт.

16

47523496

WIRE HARNESS

Chassis, E-H Controls, Two Fuses Boxes, Incl 28, Years: 25-AUG-14-20-MAY-15

1шт.

16

47747250

WIRE HARNESS

Chassis, E-H Controls, Two Fuses Boxes, Incl 28, Start Year: 21-MAY-15

1шт.

17

86511841

BOLT,Flng, M8 x 1.25 x 16mm, Full Thd, Cl 8.8

4шт.

18

86512442

CARRIAGE BOLT,Sht Sq Nk, M6 x 80mm, Cl 8.8

4шт.

19

86620930

FASTENER,Push-In, 1.10" L, Nylon

4шт.

20

86624182

WASHER,6.6mm ID x 18mm OD x 1.6mm Thk

1шт.

21

86639007

CLAMP,44.4mm, Coat, 13.5mm Bolt Hole, P Type

1шт.

22

87010656

CLAMP,17.5mm, Coat, 10.3mm Bolt Hole, P Type

1шт.

23

87035448

SPACER,8.48mm ID x 12.7mm OD x 12.7mm L

4шт.

24

87037780

CLAMP,15.8mm, Coat, 8.7mm Bolt Hole, J Type

1шт.

25

87313355

CLAMP,38.1mm, Coat, 8.7mm Bolt Hole, J Type

2шт.

26

87668737

CABLE TIE,203.2mm L, Nylon, Black

Fir Tree Assy

1шт.

27

L11541

CABLE TIE,203.2mm L, Nylon

2шт.

28

L71879

DIODE ELEMENT,400V, 3A

3 Amp, Bullet Connector, Accessory Backfeed

2шт.

29

84511730

MODULE

Relay Box

1шт.

30

82013124

RELAY,12V, 30A

ABS/Glow Plugs

3шт.

31

47768484

WIRE HARNESS

Spool Lock Jumper

1шт.

Выбрано товаров: 39