Запчасти Case TV380 (55.202.AD) - GLOW PLUGS (55) - ELECTRICAL SYSTEMS
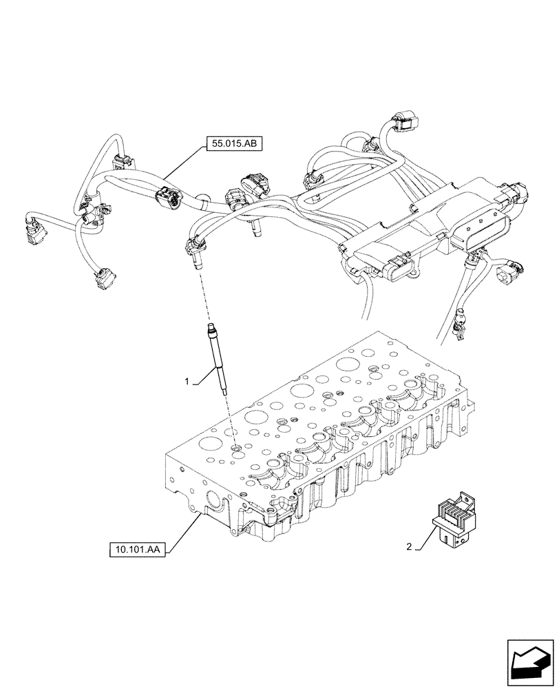
1
10.101.aa
55.015.ab
2
FIT
1:1
100%
№
Артикул
Название
Примечание
Количество
1
504378947
HEATER PLUG
4шт.
2
5801401694
RELAY
1шт.
Выбрано товаров: 2
№
Артикул
Название
Примечание
Количество
1
504378947
HEATER PLUG
4шт.
2
5801401694
RELAY
1шт.
Выбрано товаров: 2