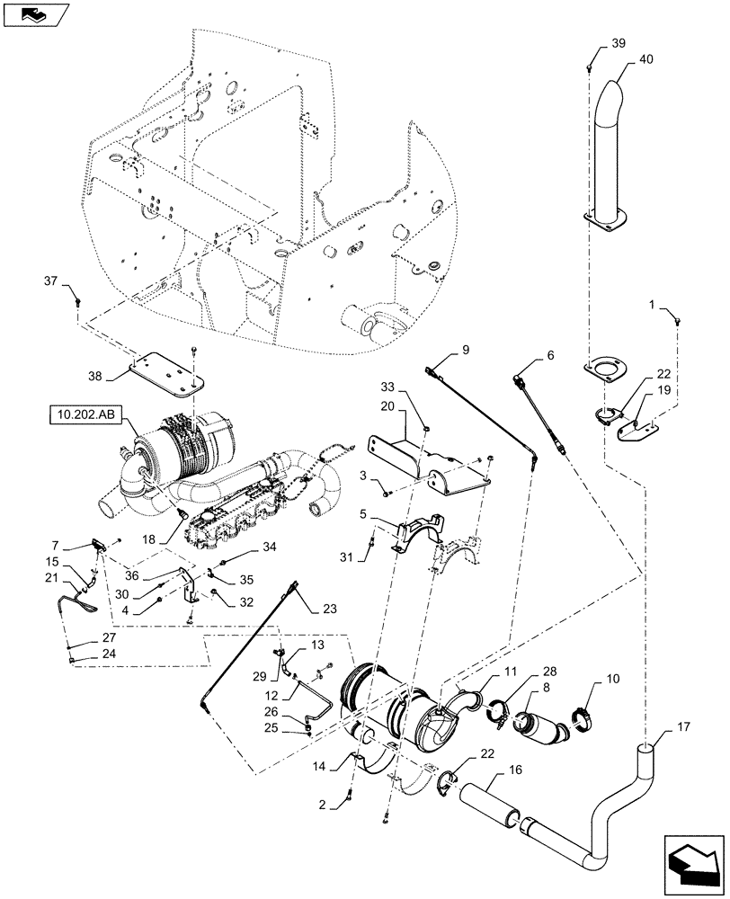
Запчасти Case TV380 (10.500.AS) - EXHAUST (10) - ENGINE

Схема запчастей Case TV380 - (10.500.AS) - EXHAUST (10) - ENGINE
28
13
23
1
11
14
34
6
4
36
9
29
21
5
18
22
40
15
10
16
24
32
7
10.202.ab
20
19
39
2
8
3
25
35
27
37
home
30
17
26
33
31
12
22
38
FIT
1:1
100%

Артикул

Название

Примечание

Количество

1

9671714

FLANGE BOLT,Hex, M8 x 1.25 x 25mm, Cl 8.8

6шт.

2

9706704

BOLT,Hex, M10 x 1.5 x 41.58mm, Cl 8.8

4шт.

3

9804260

BOLT,Hex, M8 x 1.25 x 30mm, Full Thd, Cl 8.8

4шт.

4

9804277

FLANGE NUT,Hex, M8 x 1.25, Cl 8

4шт.

5

84280294

CLAMP

DPF, Black Enamel

2шт.

6

84286040

SENSOR

Lambda UHEGO, Temperature

1шт.

7

84286249

SENSOR

DPF Delta Pressure

1шт.

8

84377118

TUBE

Exhaust, 272.2mm L

1шт.

9

84394768

SENSOR

Temperature

1шт.

10

84409146

PIPE CLAMP,63.5mm - 70mm

1шт.

11

84419021

MUFFLER

DPF

1шт.

12

84426108

TUBE

From Temperature Sensor

1шт.

13

84426109

HOSE

Intake Air

1шт.

14

84428318

CLAMP

Collar DPF

2шт.

15

84492738

HOSE

Intake Air

1шт.

16

84495805

INSULATION,260mm x 335mm

1шт.

17

84535643

EXHAUST SYSTEM PIPE

1шт.

18

84539252

SENSOR

Air Temperature

1шт.

19

84548462

MOUNT

Tailpipe Extension hanger

1шт.

20

84551142

ANGLE

DPF Mounting

1шт.

21

84558084

TUBE

To DPF

1шт.

22

87461995

CLAMP,68mm ID, Muffler

2шт.

23

87482353

SENSOR

To Engine, Years: -30-AUG-13

1шт.

23

47428730

SENSOR

To Engine, Start Year: 01-SEP-13

1шт.

24

87774044

NUT,24 Degree, L6 Coupling, M12 x 1.5

1шт.

25

3056136R1

SLEEVE,Cutting Ring, 8mm ID x 11mm OD x 9mm L

1шт.

26

3056137R1

PIPE UNION NUT,Coupling, M14 x 1.5

1шт.

27

3138533R1

SLEEVE,Cutting Ring, 6mm ID x 9mm OD

1шт.

28

A170467

CLAMP,72mm ID

T-Bolt

1шт.

29

574518

HOSE CLAMP,6.3mm - 15.7mm, SAE # 4

4шт.

30

9804256

BOLT,Hex, M6 x 1 x 20mm, Full Thd, Cl 8.8

1шт.

31

9804261

BOLT,Hex, M10 x 25mm, Cl 8.8, Full Thd

5шт.

32

9804277

FLANGE NUT,Hex, M8 x 1.25, Cl 8

1шт.

33

9804278

FLANGE NUT,M10 x 1.5, Cl 8

6шт.

34

86511841

BOLT,Flng, M8 x 1.25 x 16mm, Full Thd, Cl 8.8

2шт.

35

87016870

CLAMP,9.5mm, Coat, 8.7mm Bolt Hole, J Type

2шт.

36

84426487

BRACKET

Sensor

1шт.

37

87016557

SELF-TAP SCREW,Hex, M8 x 1.25 x 25mm

3шт.

38

84530534

BRACKET

Air Cleaner

1шт.

39

9804258

BOLT,Hex, M8 x 1.25 x 20mm, Cl 8.8

3шт.

40

84495949

EXTENSION

Exhaust Stack

1шт.

Выбрано товаров: 41