Запчасти Case TV380 (35.701.BU) - SELF LEVEL, ELECTRONIC CONTROLS (35) - HYDRAULIC SYSTEMS

Схема запчастей Case TV380 - (35.701.BU) - SELF LEVEL, ELECTRONIC CONTROLS (35) - HYDRAULIC SYSTEMS
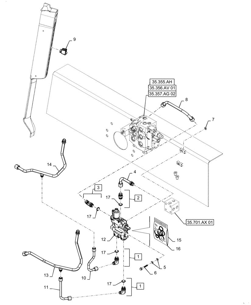
35.355.ah
1
11
10
14
6
8
5
3
13
1
17
2
16
17
9
15
17
7
12
4
17
35.357.ag 02
35.356.av 01
35.701.ax 01
FIT
1:1
100%

Артикул

Название

Примечание

Количество

1

9617891

ELBOW,90 Degree, 3/4" - 16 JIC x 7/8" - 14 ORB

Incl 17

2шт.

2

87301330

HYD CONNECTOR,7/8" - 14 ORB x 7/8" - 14 JIC

Incl 17

1шт.

3

164910

90 ELBOW,7/8" - 14 JIC x 7/8" - 14 ORB

Incl 17

1шт.

4

84258865

RIGID TUBE

Lower, Self Level to Manifold

1шт.

5

87655042

SPECIAL WASHER,8.8mm ID x 17.5mm OD x 2.2mm Thk

4шт.

6

86511843

BOLT,Hex Flng, M8 x 1.25 x 60mm, Cl 8.8

2шт.

7

229197A1

SQUARE NUT,M8 x 1.25, Cl 8

2шт.

8

84186140

RIGID TUBE

Lower, Loader Valve to Self Level

1шт.

9

84271904

SWITCH

Self Level, Rocker

1шт.

10

47943438

HYD TUBE

Self Level to Bucket Cylinder

1шт.

11

47922268

HYD TUBE

Self Level to Bucket Cylinder

1шт.

12

47948099

HYDRAULIC VALVE

Self Level, 40 Percent

1шт.

13

47922270

HYD TUBE

Bucket, Loader Valve to Right Arm

1шт.

14

47943441

HYD TUBE

Bucket, Loader Valve to Right Arm

1шт.

15

87352779

SOLENOID

Self Level Override, Services 12

1шт.

16

84396561

SEAL KIT

Self Level, Services 12

1шт.

17

167269

O-RING,0.097" Thk x 0.755" ID, -910, Cl 6, 90 Duro

4шт.

Выбрано товаров: 17